EasyManua.ls Logo

Mitsubishi FX3U-422-BD - Page 72

Mitsubishi FX3U-422-BD
728 pages
To Next Page IconTo Next Page
To Next Page IconTo Next Page
To Previous Page IconTo Previous Page
To Previous Page IconTo Previous Page
Loading...
A-44
FX Series PLC User's Manual - Data Communication Edition
Common Items
2 Communication Types and Communication Equipment
2.3 Combination of Communication Equipment (Block Diagram)
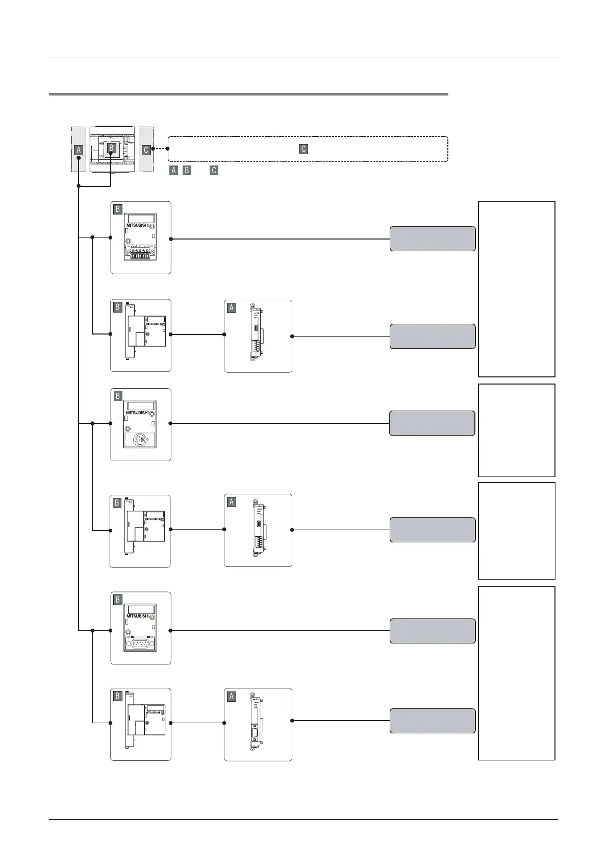
2.3.8 For FX3G Series
1. FX3G Series (14-point, 24-point type)
, and indicate the mounting position.
For special function units/blocks , refer to the this section3.
RS-485
ch1
FX
3G-485-BD
(For the mounting procedure, refer to the respective communication equipment manual.)
European
terminal block
European
terminal block
ch1
FX
3G
-CNV-ADP
FX
3U
-485ADP(-MB)
RS-422
ch1
FX
3G
-422-BD
FX
3U
-485ADP(-MB)
ch1
FX
3G
-CNV-ADP
ch1
FX
3G
-232-BD
RS-232C
FX
3G
-CNV-ADP
FX
3U
-232ADP(-MB)
ch1
8-pin MINI-DIN,
female
European
terminal block
9-pin D-sub,
male
9-pin D-sub,
male
N:N Network
Parallel link
Computer link
Non-protocol
communication
Inverter
communication
Programming
communication
Non-protocol
communication
Computer link
Non-protocol
communication
Programming
communication
Remote
maintenance

Table of Contents

Related product manuals