EasyManua.ls Logo

Mitsubishi L Series - 3 Installing Lubrication System; Installing Oil Pump, Oil Pan and Oil Screen; Installing Oil Pump

Mitsubishi L Series
254 pages
Print Icon
To Next Page IconTo Next Page
To Next Page IconTo Next Page
To Previous Page IconTo Previous Page
To Previous Page IconTo Previous Page
Loading...
LUBRICATION SYSTEM
9-7
3. Installing lubrication system
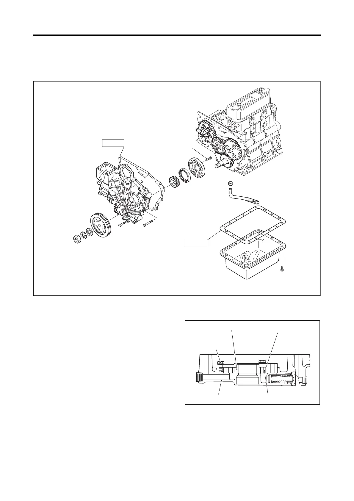
3.1 Installing oil pump, oil pan and oil screen
Installing oil pump, oil pan and oil screen
3.1.1 Installing oil pump
Install the oil pump inner gear, oil pump outer gear and oil
pump housing, and tighten the bolts to the specified torque.
Installing oil pump
7.8 to 9.8N㨯m
{0.8 to 1.0kgf㨯m}
[5.8 to 7.2 lbf㨯ft]
Replace
Replace
Oil pump housing
Oil pump outer gear
Gear case
Oil pump inner gear
7.8 to 9.8 N㨯m
{0.8 to 1.0 kgf㨯m}
[5.8 to 7.2 lbf㨯ft]

Table of Contents

Other manuals for Mitsubishi L Series

Related product manuals