EasyManua.ls Logo

Mitutoyo ID-C - Change Other Functions

Mitutoyo ID-C
108 pages
Print Icon
To Next Page IconTo Next Page
To Next Page IconTo Next Page
To Previous Page IconTo Previous Page
To Previous Page IconTo Previous Page
Loading...
64
5 Setting Parameters
No. 99MAH057A
(Short press) / (Long press)
5.11
Change Other Functions
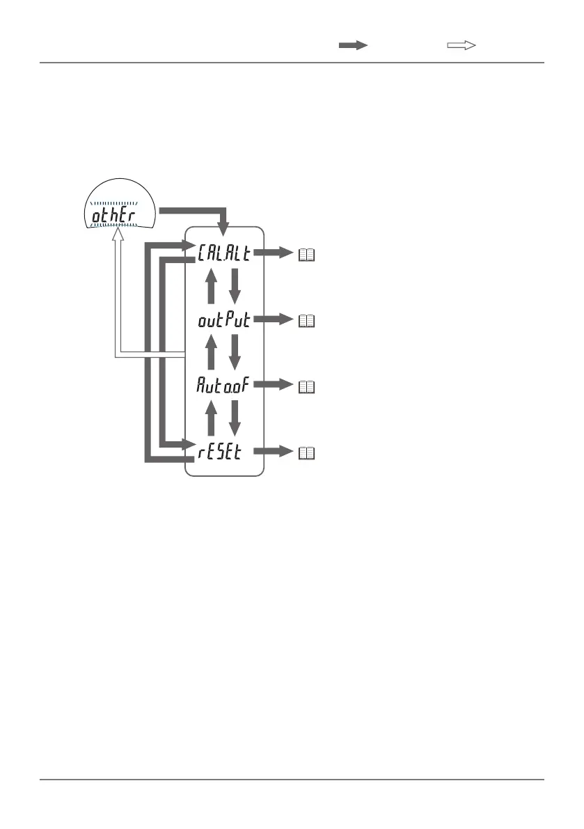
5.11.1 Selecting Setting Items
There are three types of parameter items in "Change other functions".
F1
F1
F3
F3
F1
F3
F2
F2
F2
F2
F1
F1
F3
F2
"5.11.2 Calibration Schedule
Warning Selection/Setting" on
page 65
"5.11.3 Selecting Digimatic Output"
on page 70
"5.11.4 Auto OFF setting" on
page 71
"5.11.5 All Reset" on page 72

Table of Contents

Related product manuals