EasyManua.ls Logo

Movincool CMW30 - Page 19

Movincool CMW30
88 pages
Print Icon
To Next Page IconTo Next Page
To Next Page IconTo Next Page
To Previous Page IconTo Previous Page
To Previous Page IconTo Previous Page
Loading...
Operation Section
19
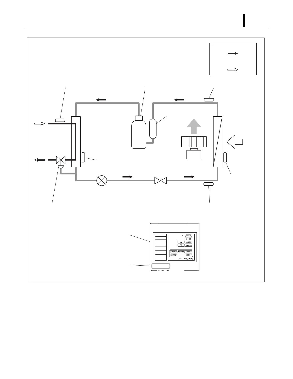
ILL00277-01
MF2
(Evaporator
Fan Motor)
Condenser
Water
Inlet
Water
Outlet
EXV
(Electronic Expansion Valve)
Compressor
HPRS
(High-Pressure Switch)
CTS2
(Evaporator Pipe
Inlet Thermistor)
Water Regulating Valve
Evaporator
Accumulator
OLC (Compressor Overload Relay)EWTS (Entering Water Thermistor)
CTS3 (Evaporator Pipe Outlet Thermistor)
RTS2
(Evaporator Inlet
Air Thermistor)
CTS1
(Condenser Thermistor)
Flow of Refrigerant
Flow of Water
RTS1 (WMC Room Thermistor)
Wall Mounted Controller (WMC)

Table of Contents

Related product manuals