EasyManua.ls Logo

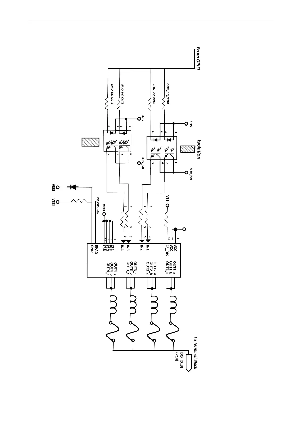
Moxa Technologies ioLogik E1214 - Sourcing DO Circuit

Moxa Technologies ioLogik E1214
120 pages
Print Icon
To Next Page IconTo Next Page
To Next Page IconTo Next Page
To Previous Page IconTo Previous Page
To Previous Page IconTo Previous Page
Loading...
ioLogik E1200 Series Introduction
1-6
Sourcing DO Circuit

Table of Contents

Other manuals for Moxa Technologies ioLogik E1214

Related product manuals