EasyManua.ls Logo

Moxa Technologies ioLogik E1260 - I;O Circuit Diagram; DI Circuit; Sinking DO Circuit

Moxa Technologies ioLogik E1260
120 pages
Print Icon
To Next Page IconTo Next Page
To Next Page IconTo Next Page
To Previous Page IconTo Previous Page
To Previous Page IconTo Previous Page
Loading...
ioLogik E1200 Series Introduction
1-5
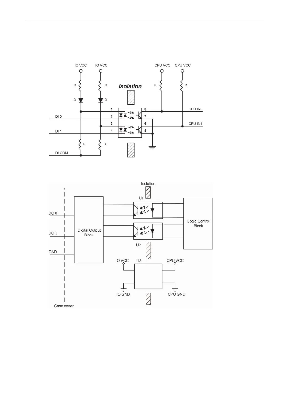
I/O Circuit Diagram
DI Circuit
Sinking DO Circuit

Table of Contents

Other manuals for Moxa Technologies ioLogik E1260

Related product manuals