EasyManua.ls Logo

MSA altair 4x - Bump Test Procedure

MSA altair 4x
72 pages
Print Icon
To Next Page IconTo Next Page
To Next Page IconTo Next Page
To Previous Page IconTo Previous Page
To Previous Page IconTo Previous Page
Loading...
AppendixMSA
ALTAIR 4X
GB
67
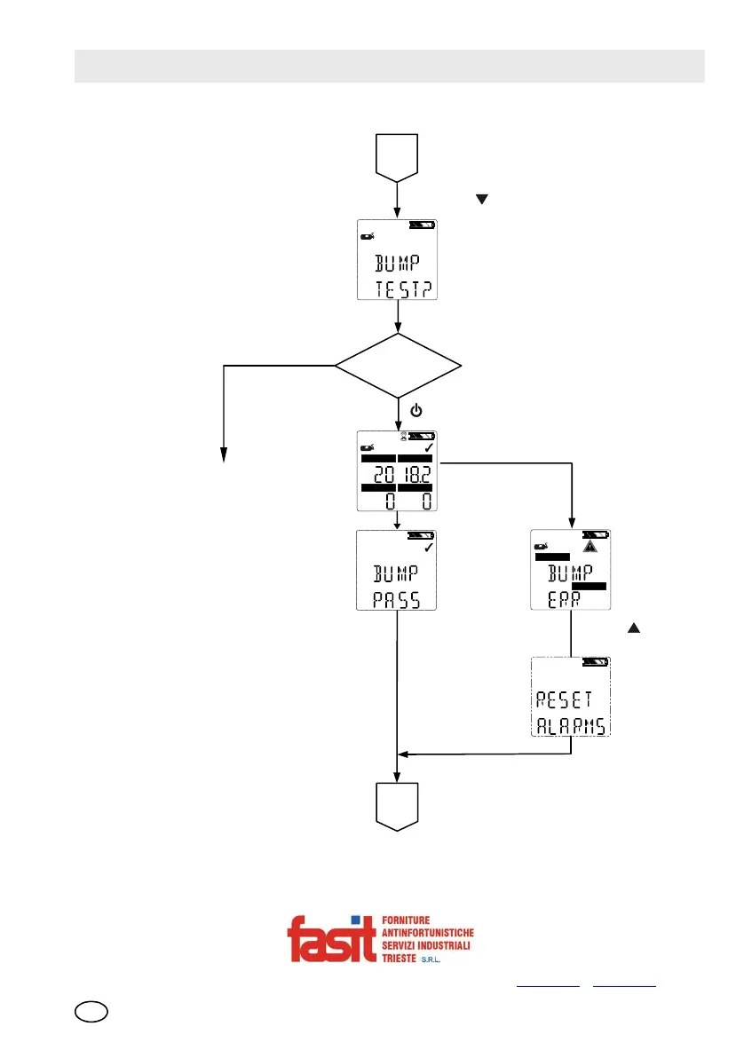
8.4 Bump Test
COMB/EX
O2
H2S
CO
COMB/EX
H2S
Button ?
From Normal Operations
(Main Page)
Press
Button
Press
No Button
Begin Normal Operation
Begin Normal Operation
FASIT Srl - Via Orsera 13/b - 34145 TRIESTE - ITALY - Tel +39 040 825604 - www.fasit.it
- info@fasit.it

Other manuals for MSA altair 4x

Related product manuals