EasyManua.ls Logo

MSA altair 4x - Options Setup

MSA altair 4x
72 pages
Print Icon
To Next Page IconTo Next Page
To Next Page IconTo Next Page
To Previous Page IconTo Previous Page
To Previous Page IconTo Previous Page
Loading...
AppendixMSA
ALTAIR 4X
GB
69
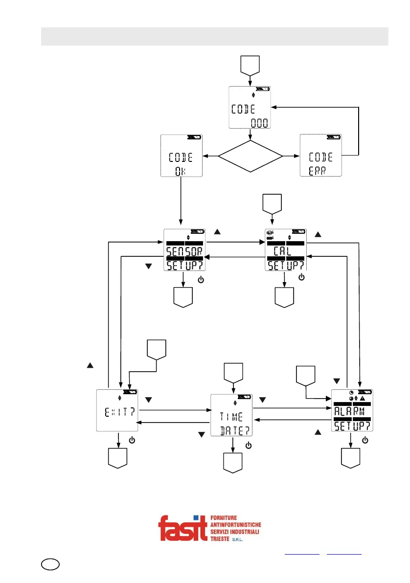
8.6 Options Setup
Password
Correct?
NO YES
Button?
or
Setup
COMB/EX
O2
H2S
CO
COMB/EX
O2
H2S
CO
To Sensor
Setup
To CAL
Setup
COMB/EX
O2
H2S
CO
To Alarm
Setup
To Time/
Date Setup
Begin Normal
Operation
From
Date/Time
Setup
From
Alarm
Setup
From
CAL
Setup
FASIT Srl - Via Orsera 13/b - 34145 TRIESTE - ITALY - Tel +39 040 825604 - www.fasit.it
- info@fasit.it

Other manuals for MSA altair 4x

Related product manuals