EasyManua.ls Logo

Nibe F2040 - OU Com Error

Nibe F2040
116 pages
Print Icon
To Next Page IconTo Next Page
To Next Page IconTo Next Page
To Previous Page IconTo Previous Page
To Previous Page IconTo Previous Page
Loading...
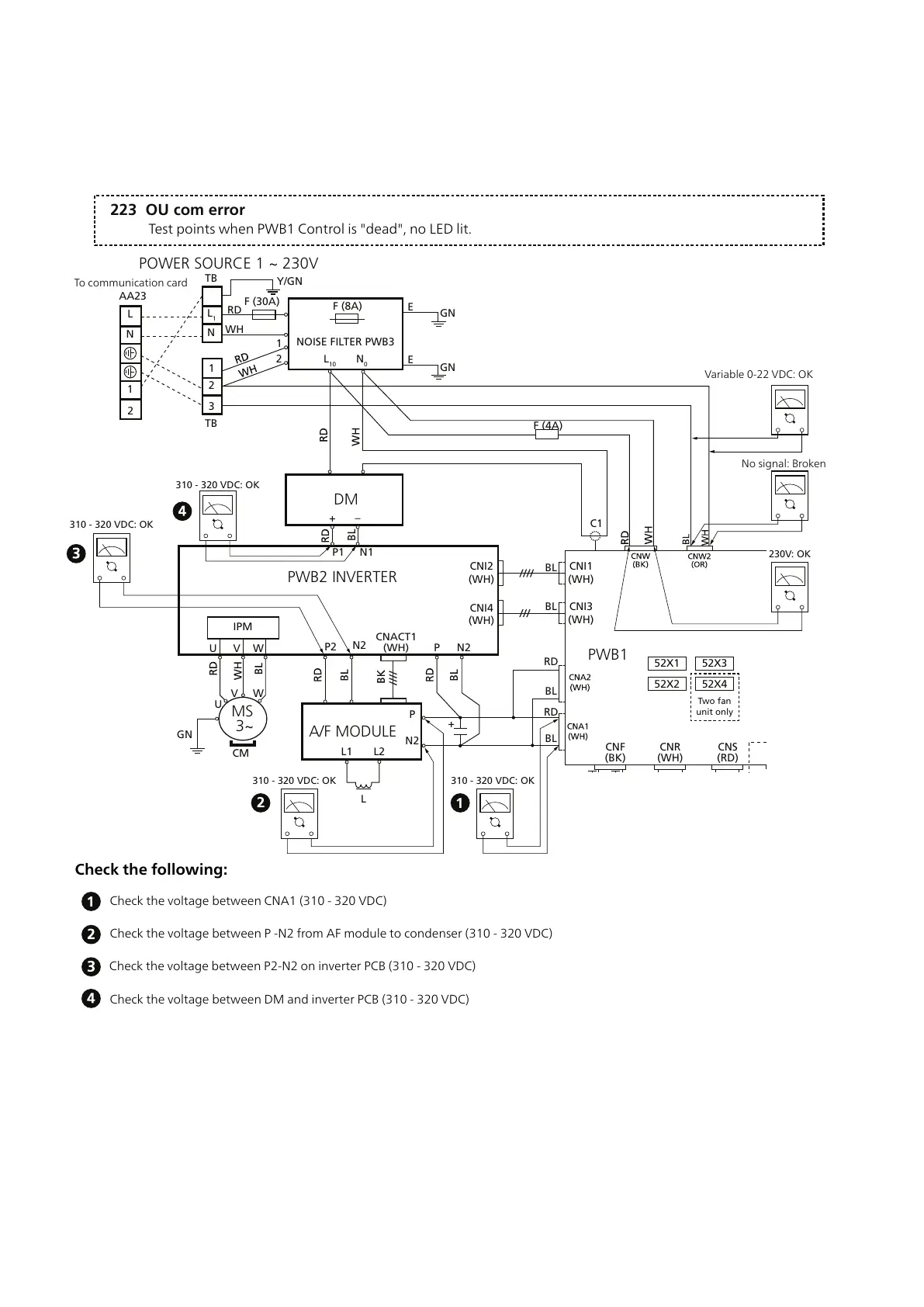
223 - OU com error
223 OU com error
Testpunkter då PWB1 Control är "dött", inga LED tända.
POWER SOURCE 1 ~ 230V
MS
3~
PWB2 INVERTER
DM
A/F MODULE
PWB1
Varierande 0-22 VDC: OK
230V: OK
310 - 320 VDC: OK310 - 320 VDC: OK
310 - 320 VDC: OK
310 - 320 VDC: OK
NOISE FILTER PWB3
F (8A)
F (4A)
F (30A)
Y/GN
AA23
TB
Till kommunikationskort
L
L
1
L
10
N
N
N
0
2
2
2
1
1
1
3
E
E
TB
BL
C1
P1
L1 L2
P
P
+
+
P2
U
GN
CM
U
V
V
W
W
IPM
N1
L
N2
N2
N2
BL
BL
BL
RD
RD
RD
GN
GN
WH
CNI2
(WH)
CNF
(BK)
CNR
(WH)
CNS
(RD)
52X1
52X2
52X3
52X4
CNI1
(WH)
CNACT1
(WH)
CNI3
(WH)
Two fan
unit only
CNI4
(WH)
Ingen signal: Trasig
1
1
Kontrollera följande:
Variable 0-22 VDC: OK
No signal: Broken
To communication card
Test points when PWB1 Control is "dead", no LED lit.
Check the following:
Check the voltage between CNA1 (310 - 320 VDC)
Check the voltage between P -N2 from AF module to condenser (310 - 320 VDC)
Check the voltage between P2-N2 on inverter PCB (310 - 320 VDC)
Check the voltage between DM and inverter PCB (310 - 320 VDC)
CNW2 is connection for the communication cable between the indoor unit and outdoor unit so that there is an
oscillating signal 0-22VDC, but there is not a fixed voltage in it. The cable must remain in place while measuring
takes place.
The voltage on CNA1 and CNA2 is approx 310-320VDC with 230V measurement voltage.
CNA2 is supply voltage to Control PCB then Control PCB creates its own internal control voltage, where voltage
to green and red LED is included.
If the LED on the circuit board is not lit this voltage may be missing. Measure at points 1-4 in turn to establish
where the voltage disappears.
57Chapter 6 | TroubleshootingNIBE™ F2040

Table of Contents

Other manuals for Nibe F2040

Related product manuals