EasyManua.ls Logo

Nibe FIGHTER 1120 - Option 2: Gas Boiler

Nibe FIGHTER 1120
76 pages
Print Icon
To Next Page IconTo Next Page
To Next Page IconTo Next Page
To Previous Page IconTo Previous Page
To Previous Page IconTo Previous Page
Loading...
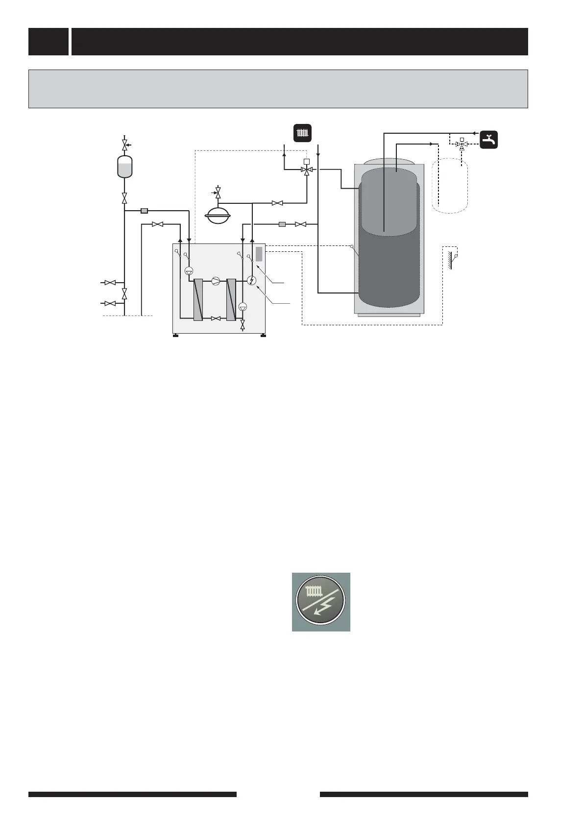
Option 1 - FIGHTER 1120 docked with immersion heater
and hot water heater (floating condensing)
Principle of operation
FIGHTER 1120 prioritises hot water charging via a
shuttle valve (VXV). When the water heater/accumula-
tor tank (VVB/ACK) is fully charged the shuttle valve
(VXV) switches over to the heating circuit. The heat
pump is then controlled by the outside temperature
sensor (UG) in combination with the built-in flow sen-
sor (FG). The immersion heater (ELK) is connected
automatically when the energy requirement exceeds
the capacity of the heat pump.
This option requires the accessories ETS 12/ETS 121
and VST 11.
Menu option
This option requires the following selections to be
made in:
Select “Service” in menu 8.1.1.
Menu 9.2.13.1 “Docking type”, select alt “1”.
Menu 9.2.13.3 “Hot water”, select “On”.
Menu 9.2.13.2 “Immersion heat” type, select the
type of immersion heater installation here.
Binary 3 step: Selected when the accessory ETS
12/ETS 121 is connected
Off: Preselected
NOTE! These selections are confirmed by switching
the heat pump off and on.
Check the max. output setting on knob (101), see
section “Electrical connection - Max electrical addi-
tion”.
The “Auto” operating mode should be
selected in order for the electrical addi-
tion to be permitted to start.
Docking
FIGHTER 1120
24
SÄV
SF
AV
AV
VXV
VVG
VVB / ACK
UG
ELVVB
SÄV
NK
AV
AV
SF
EXP
AV
AV
AV
BK / JK
ELK
FG
T
AB
A
B

Table of Contents

Other manuals for Nibe FIGHTER 1120

Related product manuals