EasyManua.ls Logo

Nibe FIGHTER 1220 - Page 51

Nibe FIGHTER 1220
60 pages
Print Icon
To Next Page IconTo Next Page
To Next Page IconTo Next Page
To Previous Page IconTo Previous Page
To Previous Page IconTo Previous Page
Loading...
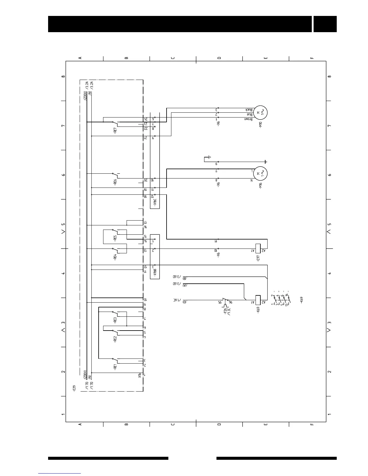
Wiring diagram 3 x 400 V + N
49
For the Installer
FIGHTER 1220
Sheet 2 (4)
Compressor Soft-starter
Heating medium pump
3-way valve
Relay card

Table of Contents

Other manuals for Nibe FIGHTER 1220

Related product manuals