EasyManua.ls Logo

Nibe FIGHTER 1220 - Page 52

Nibe FIGHTER 1220
60 pages
Print Icon
To Next Page IconTo Next Page
To Next Page IconTo Next Page
To Previous Page IconTo Previous Page
To Previous Page IconTo Previous Page
Loading...
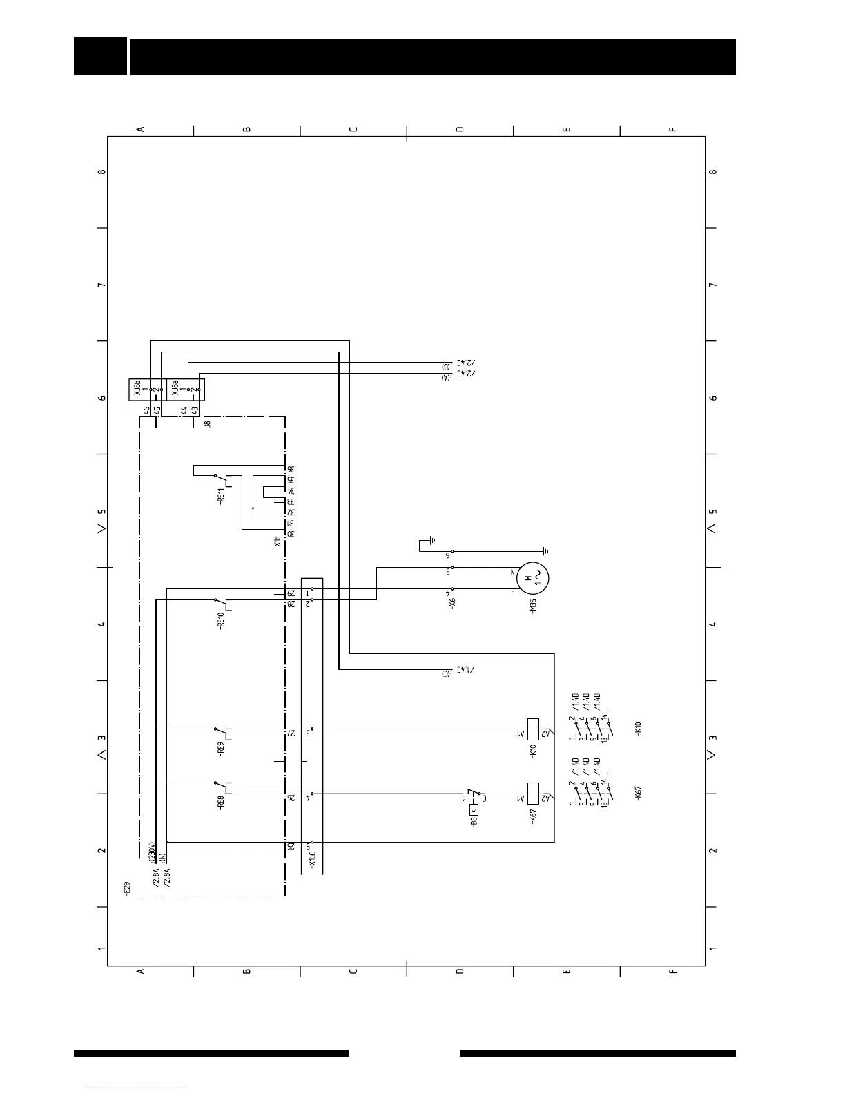
Wiring diagram 3 x 400 V + N
FIGHTER 1220
For the Installer
50
Sheet 3 (4)
Brine pump
Relay board

Table of Contents

Other manuals for Nibe FIGHTER 1220

Related product manuals