EasyManua.ls Logo

Omron V640 - Host Connection Port

Omron V640
141 pages
Print Icon
To Next Page IconTo Next Page
To Next Page IconTo Next Page
To Previous Page IconTo Previous Page
To Previous Page IconTo Previous Page
Loading...
38
SECTION 2
Connections and Wiring
CIDRW System
User’s Manual
SECTION 2
Installation and Connections/Wiring
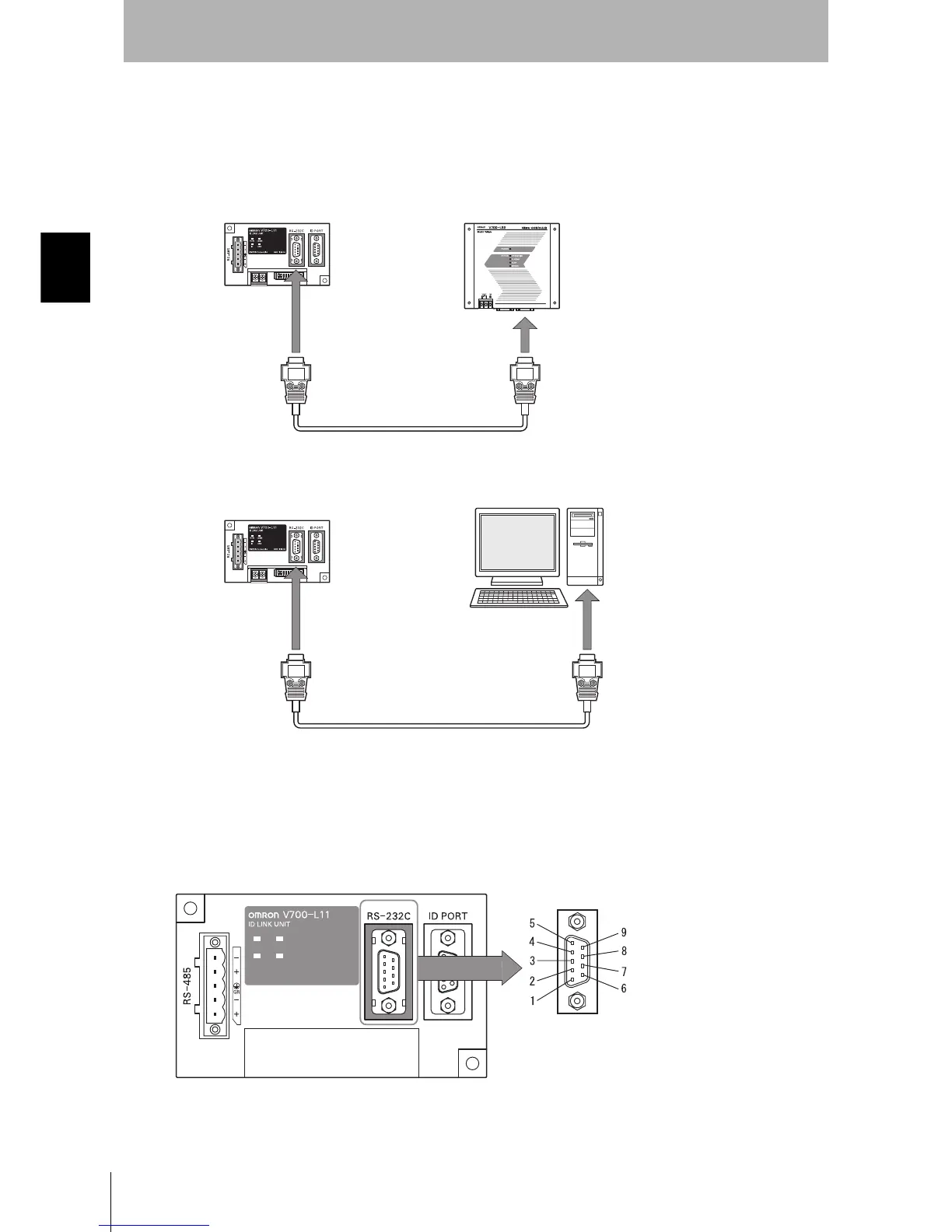
Host Connection Port
The method for connecting to a CIDRW Controller or host device via the RS-232C port is explained
here.
Connector
The host device connection port on the Link Unit is a D-SUB, 9-pin connector. The pin arrangement is
shown below.
CIDRW Controller
Link Unit
To ID port
To the RS-232C port
To host device port
Link Unit
To host device port
Host
The connector rim does not have electrical
continuity with the GR (frame ground) termi-
nal in the multi-connection port.

Table of Contents

Other manuals for Omron V640

Related product manuals