EasyManua.ls Logo

Onkyo TX-SR653E - Connecting a DVD Player

Onkyo TX-SR653E
92 pages
Print Icon
To Next Page IconTo Next Page
To Next Page IconTo Next Page
To Previous Page IconTo Previous Page
To Previous Page IconTo Previous Page
Loading...
27
Connecting the AV Receiver—Continued
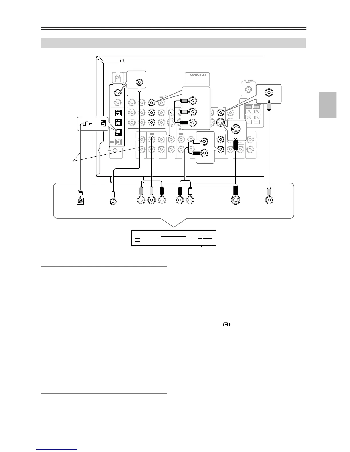
Video Connections
You only need to use one of the following connection
methods.
Using Composite Video
Use a composite video cable to connect the AV
receivers V DVD IN jack to the composite video output
on your DVD player, as shown.
Using S-Video
Use an S-Video cable to connect the AV receivers
S DVD IN jack to the S-Video output on your DVD
player, as shown.
Using Component Video
Use a component video cable to connect the AV
receivers COMPONENT VIDEO IN1 jacks to the com-
ponent video output on your DVD player, as shown.
Your TV must also be connected via component video.
Audio Connections
Using Coaxial or Optical Connections
Use a coaxial digital audio cable to connect one of the
AV receivers COAXIAL DIGITAL IN jacks to the
coaxial output on your DVD player, as shown.
OR
Use an optical digital audio cable to connect one of the
AV receivers OPTICAL DIGITAL IN jacks to the
optical output on your DVD player, as shown.
Initially, the COAXIAL IN 1 jack is assigned to the
DVD input source. If you connect your DVD player to a
different digital input, youll need to reassign the DVD
input source (see page 42).
Using Analog Connections
Even if your DVD player is connected digitally (optical
or coaxial), to use , or to record audio from your
DVD player, youll need to make an analog connection
as well.
Use an analog audio cable to connect the AV receivers
DVD IN L/R jacks to the analog audio output on your
DVD player, as shown.
If your DVD player has stereo (L/R) and multichannel
outputs, be sure to use the left and right outputs.
Connecting a DVD Player
FRONT
SURROUND
CENTER
CD
VIDEO 3
VIDEO 2
VIDEO 2
VIDEO 1
VIDEO 1
IN
OUT
OUT
IN
OUT
OUT
TAPE
SUB
WOOFER
DVD
DVD
ININININ
OUT
OUT
IN IN
R
L
IN 1
IN 1
IN 2IN 3
REMOTE
CONTROL
IR IN
12 V
TRIGGER
OUT
ZONE 2
ANTENNA
FM
75
AM
ZONE 2
LINEOUT
R
L
ZONE 2
SPEAKERS
AV RECEIVER
MODEL NO. TX
-
SR
653E
L
R
VIDEO 3
IN
MONITOR
OUT
COAXIAL
OPTI
-
CAL
IN 2
IN 1
OUT
COMPONENT VIDEO
IN 2
IN 3
DIGITAL
V
S
PB
Y
PR
OPTI-
CAL
IN
DIGITAL OUT
OPTICAL
VIDEO OUT
IN
V
DVD
S VIDEO OUT
DVD
IN
S
COAXIAL
IN 1
DIGITAL OUT
COAXIAL
DIGITAL
LR
AUDIO
OUTPUT
L
R
DVD
FRONT
COMPONENT
VIDEO OUT
COMPONENT VIDEO
IN 1
Y
P
B
PR
YPB PR
DVD player
Connect one
or the other

Table of Contents

Related product manuals