EasyManua.ls Logo

OnRobot RG6 - Hardware Specification; Technical Sheets Overview; 3 FG15 Technical Data

OnRobot RG6
198 pages
Print Icon
To Next Page IconTo Next Page
To Next Page IconTo Next Page
To Previous Page IconTo Previous Page
To Previous Page IconTo Previous Page
Loading...
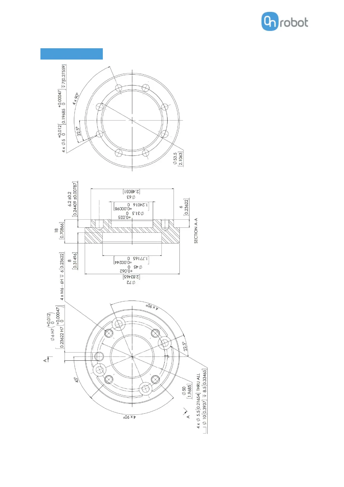
Hardware Specification
164
Adapter J

Other manuals for OnRobot RG6

Related product manuals