EasyManua.ls Logo

OnRobot RG6 - Page 168

OnRobot RG6
198 pages
Print Icon
To Next Page IconTo Next Page
To Next Page IconTo Next Page
To Previous Page IconTo Previous Page
To Previous Page IconTo Previous Page
Loading...
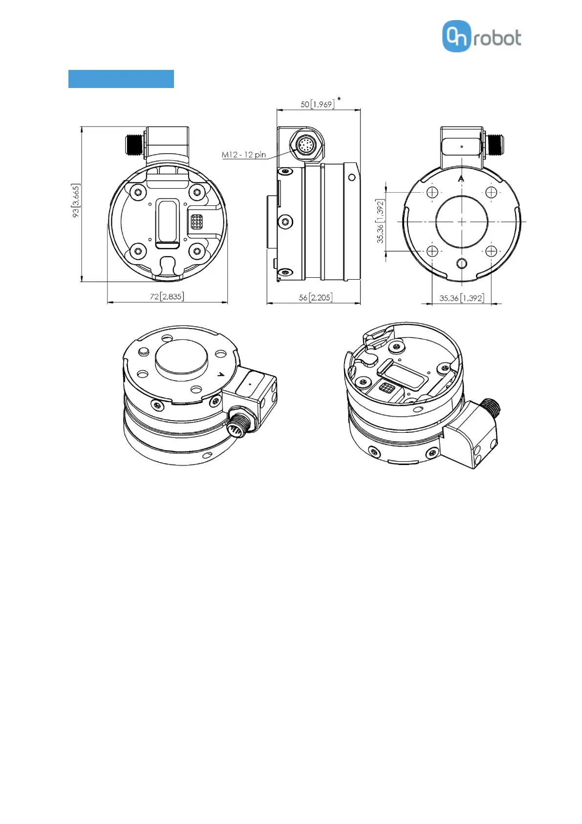
Hardware Specification
168
HEX-E/H QC
* Distance from Robot flange interface to OnRobot tool
All dimensions are in mm and [inches].

Other manuals for OnRobot RG6

Related product manuals