EasyManua.ls Logo

OPTIKON PULSAR 2 - Page 30

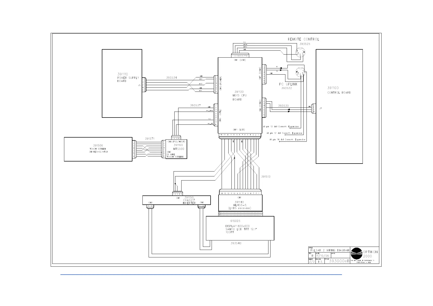
OPTIKON PULSAR 2
74 pages
Print Icon
To Next Page IconTo Next Page
To Next Page IconTo Next Page
To Previous Page IconTo Previous Page
To Previous Page IconTo Previous Page
Loading...
Pulsar
2
Service Manual
OPTIKON 2000
Cod. 111004SEN Rev.C
5-4

Related product manuals