EasyManua.ls Logo

Pace PAI - UV Control Panel Wiring (8 amps)

Pace PAI
108 pages
Print Icon
To Next Page IconTo Next Page
To Next Page IconTo Next Page
To Previous Page IconTo Previous Page
To Previous Page IconTo Previous Page
Loading...
Form PA102.20-N1
67
Installation & Assembly Manual │ PACESECTION 3 - HANDLING, STORAGE, AND INSTALLATION
Issue Date: 07/03/2018
3
085-013-001
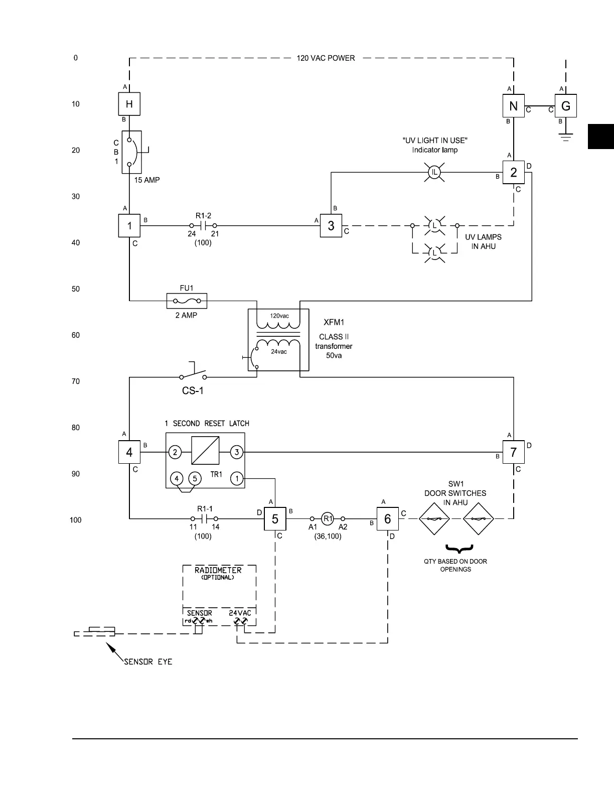
Figure 108 - UV Control Panel Wiring (8 amps)

Table of Contents

Related product manuals