EasyManua.ls Logo

Panasonic CU-MVG153KE - 5 Refrigeration Cycle Diagram

Panasonic CU-MVG153KE
87 pages
Print Icon
To Next Page IconTo Next Page
To Next Page IconTo Next Page
To Previous Page IconTo Previous Page
To Previous Page IconTo Previous Page
Loading...
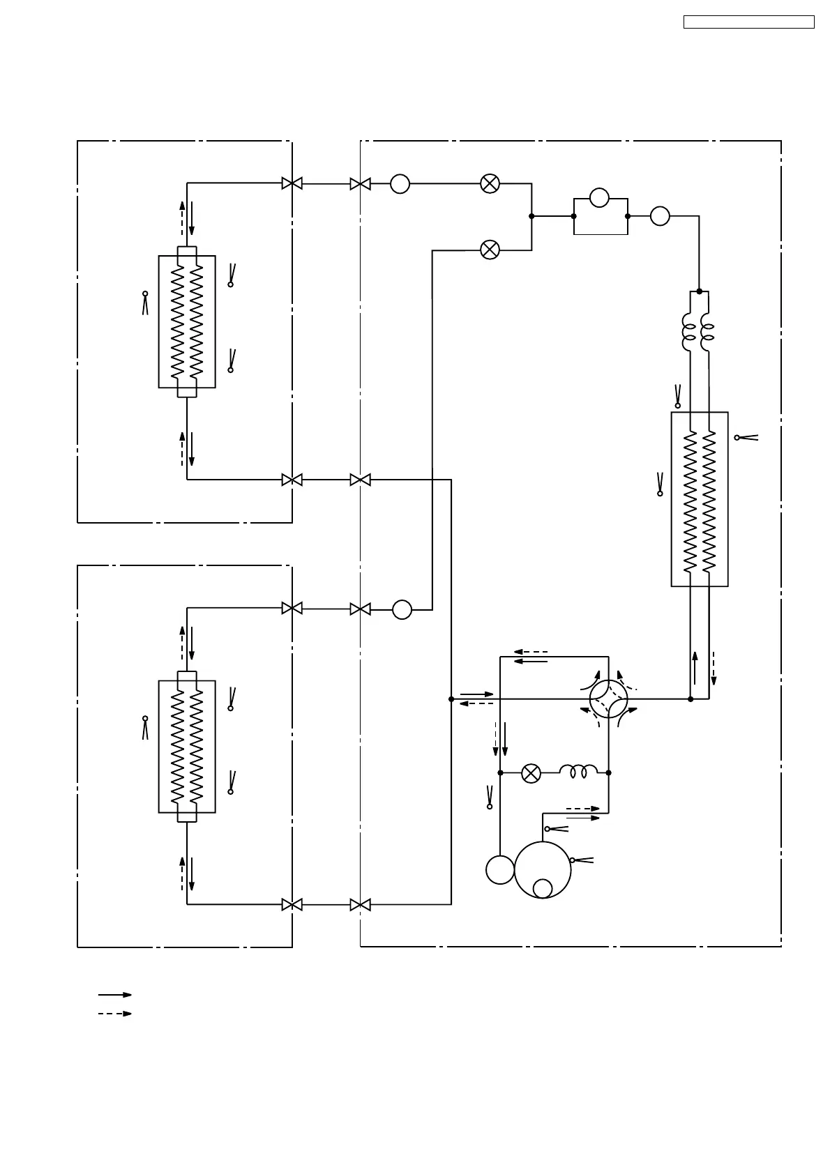
5 Refrigeration Cycle Diagram
4-WAY VALVE
2-WAY
VALVE
PIPE
TEMP.
SENSOR
PIPE
TEMP.
SENSOR
SENSOR
TEMP.
INTAKE
PIPE
TEMP.
SENSOR
PIPE
TEMP.
SENSOR
INDOOR A
OUTDOOR
COOLING
HEATING
HEAT EXCHANGER
(EVAPORATOR)
HEAT EXCHANGER
(CONDENSER)
2-WAY
VALVE
VALVE
3-WAY
2-WAY
VALVE
VALVE
3-WAY
C1
STRAINER
C ; CAPILLARY TUBE
SENSOR
TEMP.
INTAKE
PIPE
TEMP.
SENSOR
PIPE
TEMP.
SENSOR
INDOOR B
HEAT EXCHANGER
(EVAPORATOR)
DISCHARGE TEMP
SENSOR
COMPRESSOR
COMPRESSOR
TEMP SENSOR
OUTDOOR AIR
TEMP SENSOR
DRYER
STRAINER
STRAINER
EXPANSION
VALVE (A)
EXPANSION
VALVE (B)
SUCTION
TEMP.
SENSOR
11
CS-MVG103KE / CU-MVG153KE

Table of Contents

Related product manuals