EasyManua.ls Logo

Panasonic CU-MVG153KE - 6 Block Diagram

Panasonic CU-MVG153KE
87 pages
Print Icon
To Next Page IconTo Next Page
To Next Page IconTo Next Page
To Previous Page IconTo Previous Page
To Previous Page IconTo Previous Page
Loading...
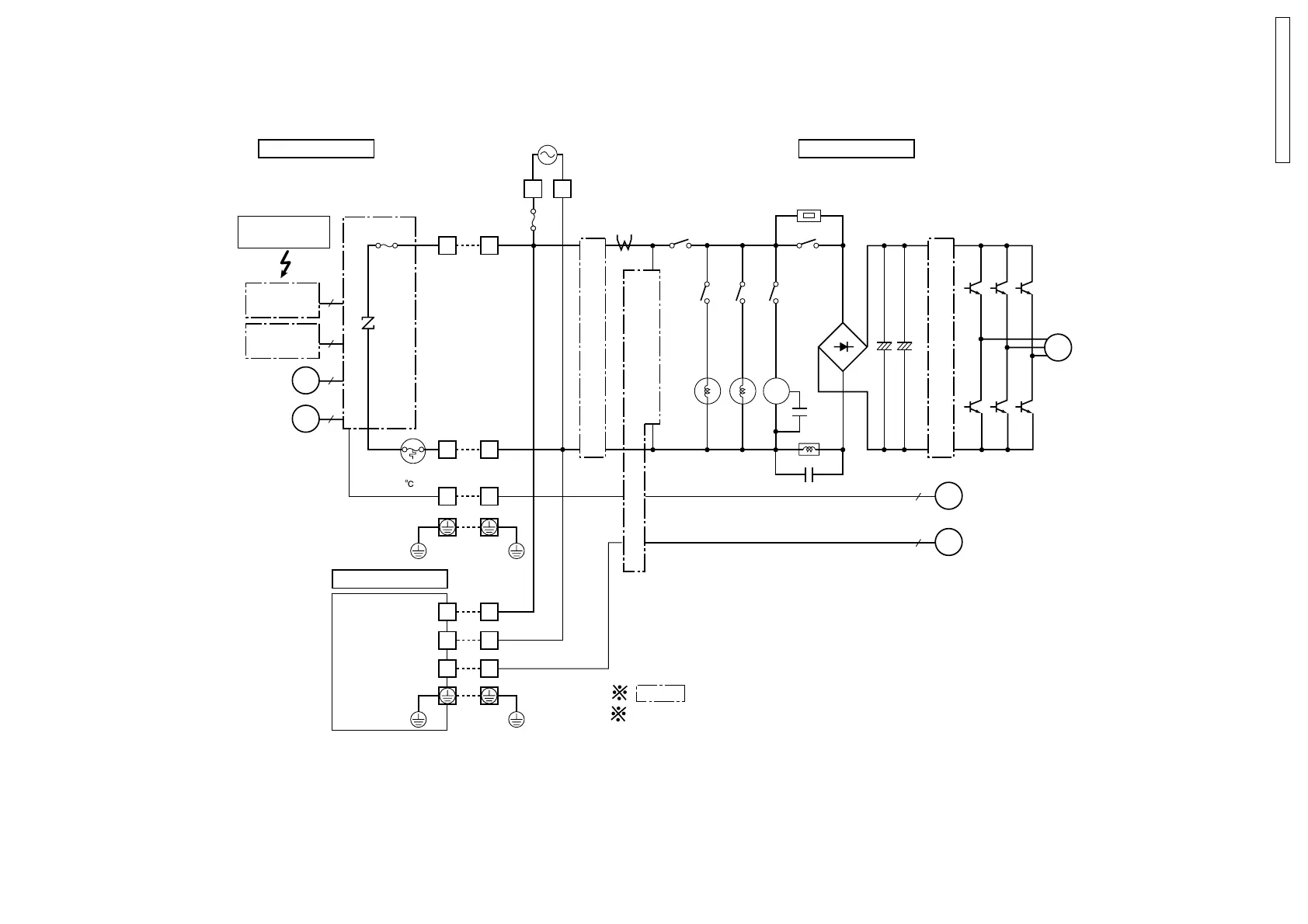
6 Block Diagram
COMPRESSOR
++
NOISE FILLTER
DIODE
+
-
ELECTRONIC
CONTROLLER
ELECTRONIC
CONTROLLER
FM
RY-HOT
RY-2CV
RY-L
4-WAY
VALVE
2-WAY
VALVE
FAN
MOTOR
RY-AC
RY-PWR
PTC
REACTOR
NOISE FILLTER
5C
EXP.VALVE(A)
5C
EXP.VALVE(B)
1
1 2
2
3
1
2
3
5C
3C
TERNINAL
THERMAL
FUSE 102
FM
9C
FAN
MOTOR
LOUVER
MOTOR
INCIDATOR
P. C.B .
RECEIVER
P. C.B .
3C
WIRELESS
REMOTE CONTROL
TRANSMITTER
FUSE
(20A)
FUSE
(3.15A)
1
2
3
SINGLE
PHASE
230V 50Hz
1
2
3
SAME AS
UNIT A
OUITDOOR
POWER
SUPPLY
INDOOR UNIT B
INDOOR UNIT A OUTDOOR UNIT
Indicates the electronic control unit.
"C" Indicates the number of core wires. (Example:5C=5 core wires).
C.T.
CS-MVG103KE / CU-MVG153KE
12

Table of Contents

Related product manuals