EasyManua.ls Logo

Panasonic CU-MVG153KE - Cu-Mvg153 Ke ( Outdoor Unit )

Panasonic CU-MVG153KE
87 pages
Print Icon
To Next Page IconTo Next Page
To Next Page IconTo Next Page
To Previous Page IconTo Previous Page
To Previous Page IconTo Previous Page
Loading...
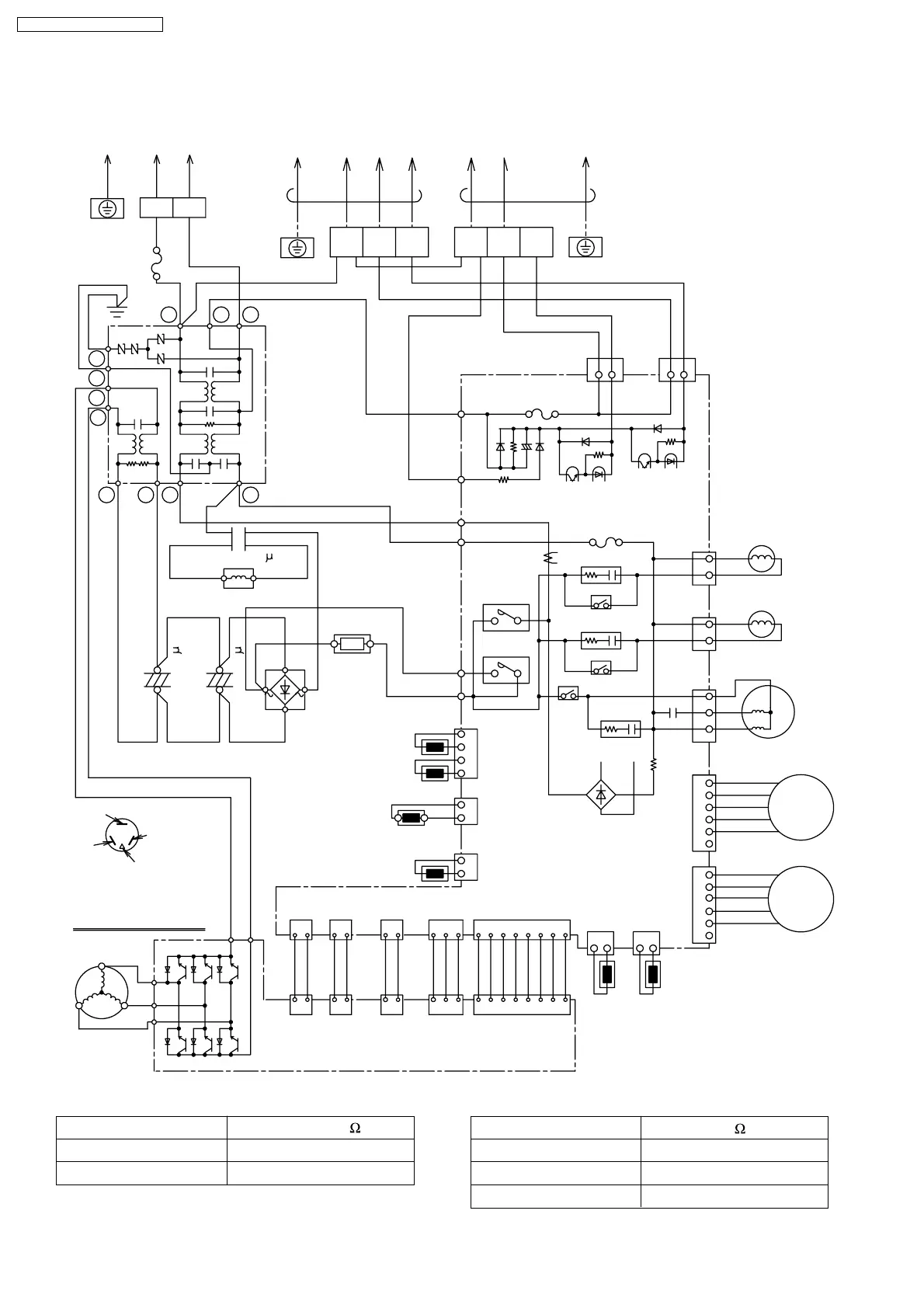
7.2. CU-MVG153KE ( OUTDOOR UNIT )
251
43
1110
8
9
7
P: PINK
V: VIOLET
6
CN - W
(YELLOW)
CN- V
(BLUE)
CN- PW M
(WHITE)
EXP. VALVE
EXP.
EXP.
VALVE
VALVE
BL
RY- L
NOISE
FILTER
BL
RY- 2 CV
1
BL
DIODE
+
420V 750 F
+
-
175V 45 F
R
REACTOR
B
+
420V 750 F
-
R
1
1
3
L
P
RY- PWR
CN- HOT
(YELLOW)
3
CT
BL
BL
GG
FAN
MOT E R
Y
R
CR1 01
B
COI L
(4-WAY
VALVE)
B
RY- HOT
BL
B
C- FM
RY- AC
FUSE T3. 15A
L250V
ELECTRONIC
CONTROL UNIT
SENSOR
AI R TEMP.
AC5
(WHITE)
P
L
AC9
(BROWN)
AC3
(GRAY)
WH
OR
B
GR
BR
1
33
1
FUSE T5. 0A
L250V
+
CN- ROOM B
(GREEN)
CN-ROOM A
(BLUE)
2
BR: BROWN
G: GREEN
REMARKS
Y: YELLOW
WH: WHITE
R: RED
GR: GRAY
BL: BLACK
B: BLUE
OR: ORANGE
2
78654312431
3
13
1
1
31
2
876543 1
421
31
31
CN - U
(RED)
CN- PWM
(WHITE)
CN - W
(YELLOW)
CN- L
(WHITE)
TRANSISTOR COMPLETE
P
N
U
V
W
C
OMPRESSER
R
B
Y
Y
R
B
THE PRENTHESIZED
LETTER IS INDICATED
ON TERM I NAL COVER.
CN- V
(BLUE)
CN- L
(WHITE)
BR
OR
Y
BR
R
GR
P
V
V
P
BL
B
Y
B
TRADE MARK
R
GR
OR
R
BL
Y
BL
OR
R
3
GR
CN-DIS
(WHITE)
2
1
5
4
CN- EVA(WHITE)
5
1
2
3
4
COIL
EXP.
VALVE
COIL
CN-TH3
(YELLOW)
BL
Y
R
OR
CN-EVB(YELLOW)
GR
6
6
31
CR103
31
AC1
(BLUE)
WH
GR
GR
2
1
3
1
4
3
CN- TH1
(YELLOW)
CN- TANK
(BLUE)
CN- TH2
(GREEN)
2
SENSOR
PIPE TEMP.
1
2
SENSOR
AIR TEMP.
AC10
(YELLOW)
GR
WH
RBL
BL
OR
BR
BR
WH
B
Y
BL
AC2
(BLACK)
PTC
COI L
(2-WAY
VALVE)
-
CAPACI TOR
CAPACI TOR
5
CN - U
(RED)
3
CR1 02
1
CN -FM
(GREEN)
CN- 2CV
(WHITE)
COMP. TERMINAL
3
FUSE
250V/ 20A
1
WH
123
SENSOR
COMP. TEMP.
SENSOR
PI PE TEMP.
SENSOR
PIPE TEMP.
CONNECTION
U-W
V-W
( )
1.0
U-V
1.0
1.0
CONNECTION
YELLOW - BLUE
( )
265.2
YELLOW -RED
257.2
Resistance of Outdoor Fan Motor Windings
Resistance of Compressor Windings
CWA951029
TO
INDOOR UNIT B
230V/50Hz
SINGLE PHASE
TERMINAL
TO
INDOOR UNIT A
TERMINAL TERMINAL
14
CS-MVG103KE / CU-MVG153KE

Table of Contents

Related product manuals