EasyManua.ls Logo

Panasonic FPG Series - Page 14

Panasonic FPG Series
240 pages
Print Icon
To Next Page IconTo Next Page
To Next Page IconTo Next Page
To Previous Page IconTo Previous Page
To Previous Page IconTo Previous Page
Loading...
Glossary FP Positioning Unit
ii
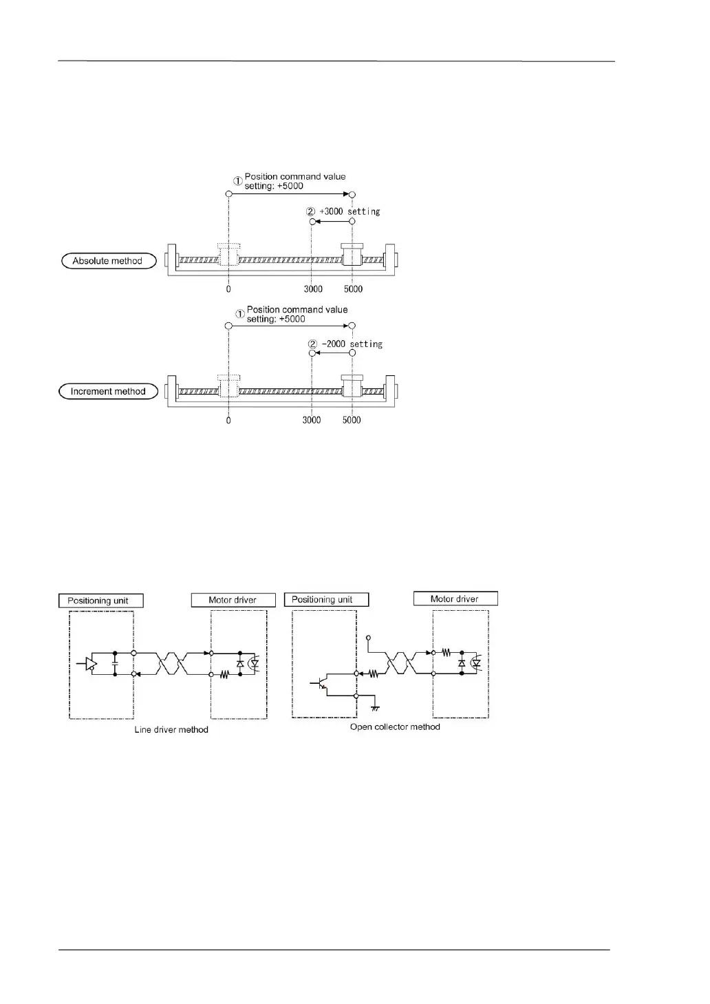
Increment method (relative value control method)
This is a control method in which the distance from the current position to the target position is
specified as a relative position. With the FP positioning unit, this is specified in the user program,
using the control codes and the position command values (see Chapter 6.1.1/6.1.2 “Shared memory
settings.”).
Line driver output
This is one output format used in pulse output signal circuits, in which the push - pull output of the
line driver is used. Because this format offers better resistance to noise than the open collector
output format, a larger distance to the driver is possible. The line driver must be supported on the
motor driver side. Most servo motor drivers are equipped with this format.
Open collector output
This is one output format used in pulse output signal circuits, enabling to make connections in
accordance with the voltage of the power supply being used by connecting an external resistance.
This is used when connecting a driver that does not have line driver input, such as a stepping motor.
JOG operation
This refers to an operation in which the motor is rotated only while operation commands are being
input. This is used to forcibly rotate the motor using input from an external switch, for instance when
to make adjustments. Depending on the circumstances, this can also be applied to unlimited feeding
in some cases.
Deceleration stop
This is a function that interrupts the operation in progress, slows the rotation and brings it to a stop.
This is used to stop an operation halfway.
JOG positioning operation
This refers to an operation to transfer a JOG operation to a positioning operation by an input from the
external switch.

Table of Contents

Related product manuals