EasyManua.ls Logo

Panasonic FPG Series - Panasonic MINAS X (V)Series

Panasonic FPG Series
240 pages
Print Icon
To Next Page IconTo Next Page
To Next Page IconTo Next Page
To Previous Page IconTo Previous Page
To Previous Page IconTo Previous Page
Loading...
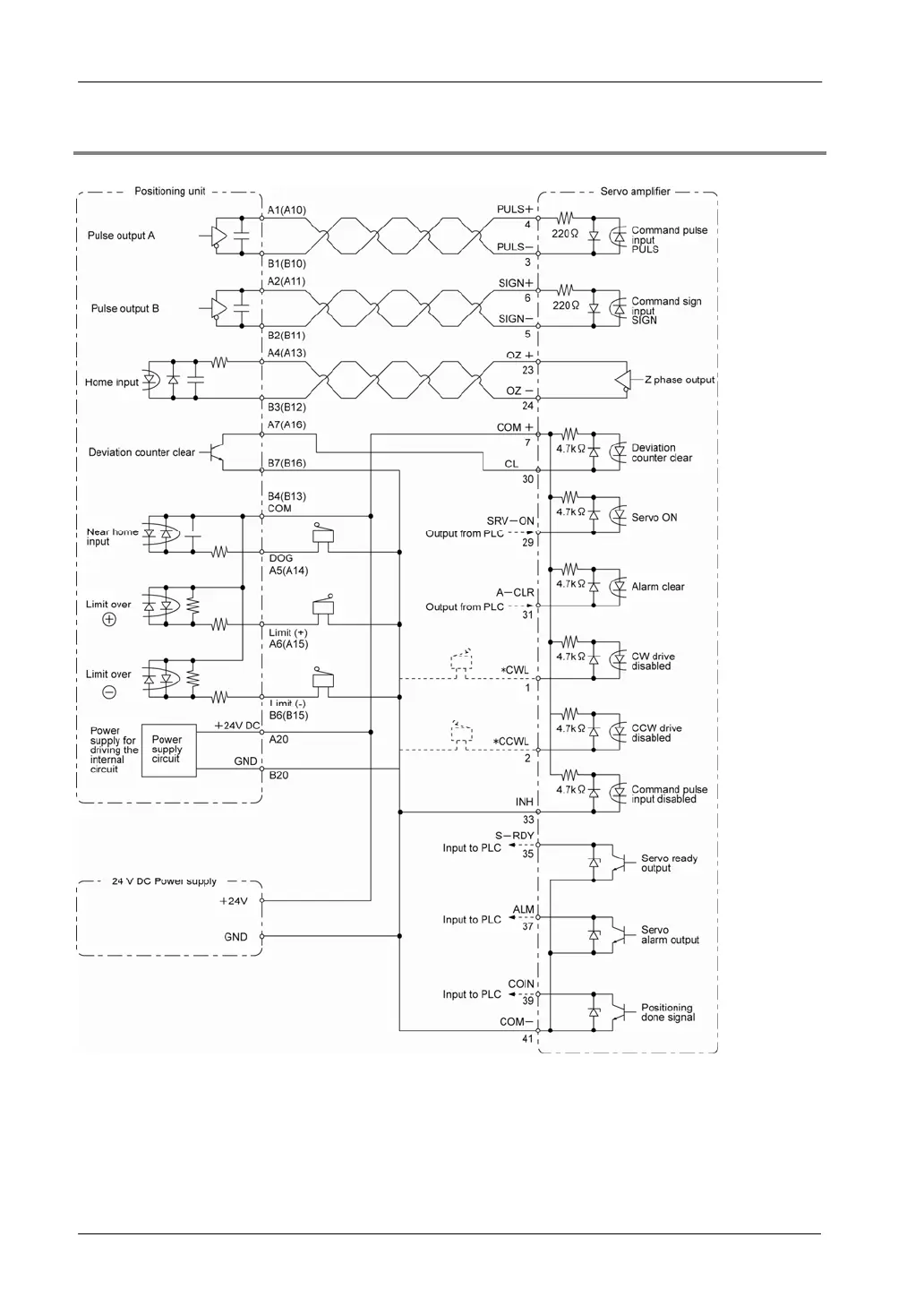
Dimensions and Driver Wiring FP2 Positioning Unit
17-8
17.2.5 Panasonic MINAS X (V)Series
*When connecting the CW drive disabled and CCW drive disabled input, the servo ready output, and the
servo alarm output on the motor driver side, the circuits recommended by the various motor
manufacturers should be used.
Numbers in parentheses after the unit side indicate the pin number for the second axis.
The above wiring is for the line driver output type.
As of October 2008, this is the end-of-life (EOL) product.

Table of Contents

Related product manuals