EasyManua.ls Logo

Panasonic SA-MAX7000PU - Page 16

Panasonic SA-MAX7000PU
58 pages
Print Icon
To Next Page IconTo Next Page
To Next Page IconTo Next Page
To Previous Page IconTo Previous Page
To Previous Page IconTo Previous Page
Loading...
16
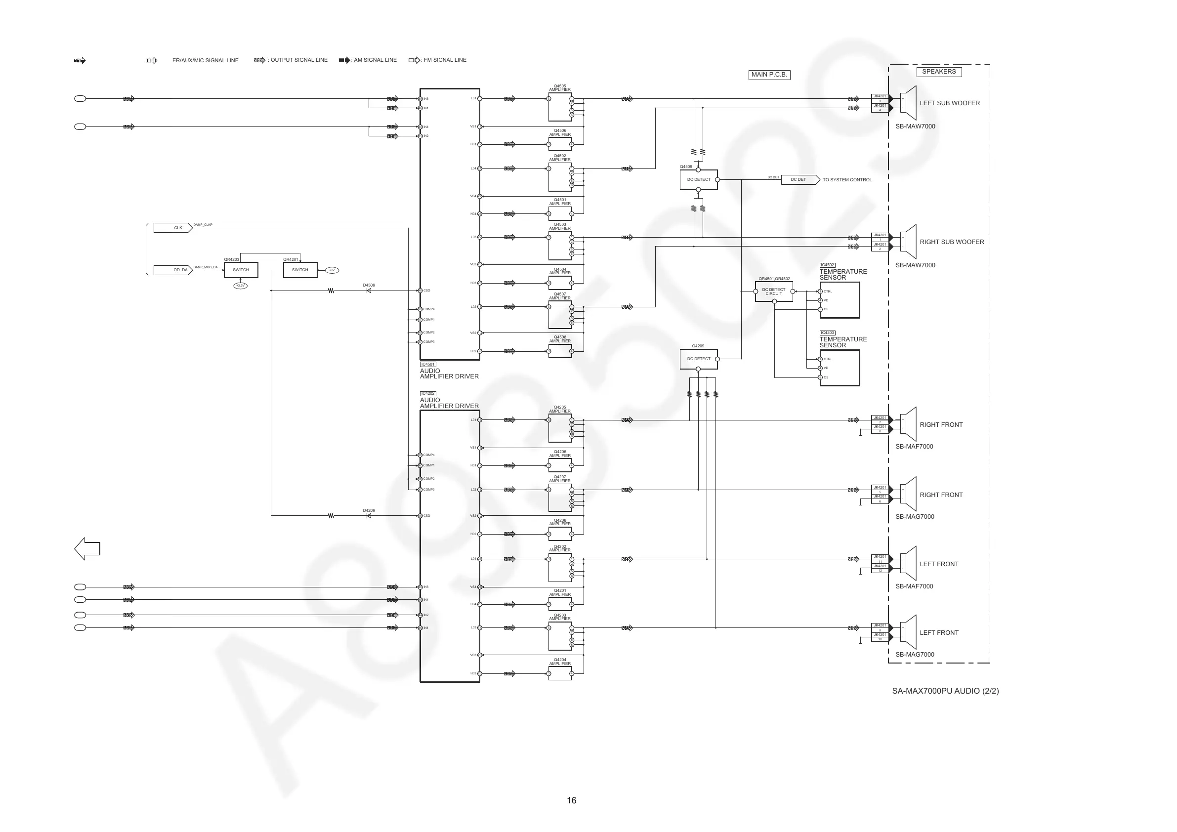
6$0$;38$8',2%/2&.',$*5$0
72$8',2
%/2&.
-.
-.
-.
-.
-.
-.
-.
-.

-.

-.
-.

-.
/()768%:22)(5
5,*+768%:22)(5
5,*+7)5217
/()7)5217
5,*+7)5217
/()7)5217
63($.(56
0$,13&%

$03/,),(5
4
/
+
96
$03/,),(5
4

$03/,),(5
4
/
+
96
$03/,),(5
4

$03/,),(5
4
/
+
96

$03/,),(5
4

$03/,),(5
4
/
+
96

$03/,),(5
4
 ,1
 ,1
 ,1
 ,1

$03/,),(5
4
/
+
96
$03/,),(5
4

$03/,),(5
4
/
+
96
$03/,),(5
4

$03/,),(5
4
/
+
96

$03/,),(5
4

$03/,),(5
4
/
+
96

$03/,),(5
4
 ,1
 ,1
 ,1
 ,1
726<67(0&21752/
4
'&'(7(&7
'&'(7
'&'(7
4
'&'(7(&7
&75/
9'
26
7(03(5$785(
6(1625
,&
&75/
9'
26
7(03(5$785(
6(1625
,&
4545
'&'(7(&7
&,5&8,7
9
9
5454
+&7,:6+&7,:6
'
'
'$03B02'B'$
'$03B02'B'$
 &6'
 &6'
'$03B&/.
'$03B&/.3
$8',2
$03/,),(5'5,9(5
,&
$8',2
$03/,),(5'5,9(5
,&
 &203
 &203
 &203
 &203
 &203
 &203
 &203
 &203
)5206<67(0&21752/
6%0$)
6%0$*
6%0$)
6%0$*
6%0$:
6%0$:
&'6,*1$//,1(
781(5$8;0,&6,*1$//,1(
2873876,*1$//,1(
)06,*1$//,1($06,*1$//,1(