EasyManua.ls Logo

Panasonic SA-MAX7000PU - Schematic Diagram; Main (IO Expansion) Circuit

Panasonic SA-MAX7000PU
58 pages
Print Icon
To Next Page IconTo Next Page
To Next Page IconTo Next Page
To Previous Page IconTo Previous Page
To Previous Page IconTo Previous Page
Loading...
20
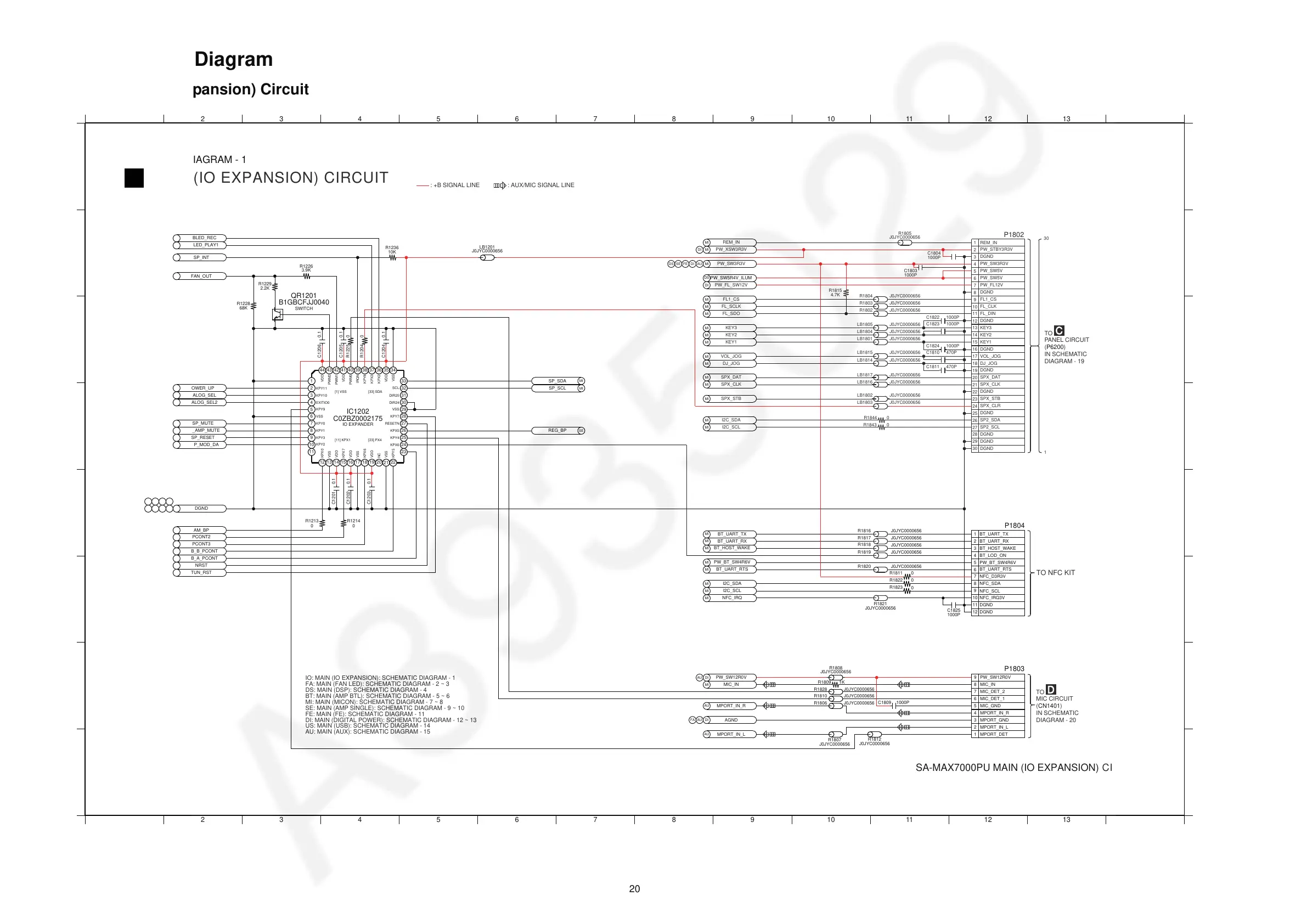
7 Schematic Diagram
7.1. Main (IO Expansion) Circuit
A
1
2 3 4 5 6 7 8 9 10 11 12 13 14
1 2 3 4 5 6 7 8 9 10 11 12 13 14
C
D
B
E
G
H
F
A
C
D
B
E
G
H
F
A
MAIN (IO EXPANSION) CIRCUIT
SCHEMATIC DIAGRAM - 1
SA-MAX7000PU MAIN (IO EXPANSION) CIRCUIT
C
TO
PANEL CIRCUIT
(P6200)
IN SCHEMATIC
DIAGRAM - 19
D
TO
MIC CIRCUIT
(CN1401)
IN SCHEMATIC
DIAGRAM - 20
: +B SIGNAL LINE
: AUX/MIC SIGNAL LINE
IO: MAIN (IO EXPANSION): SCHEMATIC DIAGRAM - 1
FA: MAIN (FAN LED): SCHEMATIC DIAGRAM - 2 ~ 3
DS: MAIN (DSP): SCHEMATIC DIAGRAM - 4
BT: MAIN (AMP BTL): SCHEMATIC DIAGRAM - 5 ~ 6
MI: MAIN (MICON): SCHEMATIC DIAGRAM - 7 ~ 8
SE: MAIN (AMP SINGLE): SCHEMATIC DIAGRAM - 9 ~ 10
FE: MAIN (FE): SCHEMATIC DIAGRAM - 11
DI: MAIN (DIGITAL POWER): SCHEMATIC DIAGRAM - 12 ~ 13
US: MAIN (USB): SCHEMATIC DIAGRAM - 14
AU: MAIN (AUX): SCHEMATIC DIAGRAM - 15
TO NFC KIT
0.1C1205
PW_SW5R4V_ILUM
10K
R1236
SP_SCL
SP_SDA
0.1C1204
C1203 0.1
0.1C1201
C1202 0.1
AGND
MPORT_IN_R
MPORT_IN_L
MIC_IN
R1807
J0JYC0000656
R1809 1K
R1806 J0JYC0000656
3
2
6
7
4
5
1
9
8
P1803
21
5
6
3
1
2
4
19
9
7
8
16 17
11
10
12 151413 18 20
35374244 43 39 3841 40 36
33
22
31
29
27
24
23
26
25
28
30
32
34
C0ZBZ0002175
IO EXPANDER
IC1202
68K
R1228
USBLED_PLAY1
USBLED_REC
SP_INT
MI
US
US
FA
DI
AU
AU
DS
DS
DS
DI
DI
DSMI
MI
AU
AU
FA
DI
DI
SEBTFEUS
DS
MI
MI
REG_BP
SE
DI
AUDIFESEDS
DIAU
AU
FA
AU
MI
REM_IN
MI
PW_XSW3R3V
MI
PW_SW3R3V
MI
PW_FL_SW12V
DI
FL1_CS
MI
FL_SCLK
MI
FL_SDO
MI
KEY3
MI
KEY2
MI
KEY1
MI
VOL_JOG
MI
DJ_JOG
MI
SPX_DAT
MI
SPX_CLK
MI
SPX_STB
MI
I2C_SDA
MI
I2C_SCL
MI
MI
MI
MI
MI
MI
MI
MI
MI
SE
FAN_OUT
0.1C1206
R1226
3.9K
2.2K
R1229
QR1201
B1GBCFJJ0040
SWITCH
ANALOG_SEL2
DRV_AMP_MUTE
DSP_MUTE
ANALOG_SEL
DAMP_MOD_DA
TUN_RST
NRST
USB_A_PCONT
DGND
PCONT3
USB_B_PCONT
DSP_RESET
POWER_UP
MIC_GND
MIC_IN
MPORT_GND
MPORT_IN_L
MPORT_DET
MIC_DET_2
PW_SW12R0V
MIC_DET_1
MPORT_IN_R
VDD
KPX6
NC
VSS
VDD
VSS
KPX0
VSS
VDD
KPX7
KPY8
KPX3
PWM0
IRQN
[33] SDA
VDD
KPX2
[23] PX4
KPY1
VSS
KPY0
KPY3
KPY2
PWM2
VDD
KPY9
KPY10
KPY11
[11] KPX1
PWM1
VDD
[1] VSS
EXITIO0
KPX5
KPY4
KPX6
KPY7
RESETN
VSS
DIR25
SCL
VSS
DIR24
KPY5
C1809
1000P
R1812
J0JYC0000656
R1828 J0JYC0000656
J0JYC0000656
LB1201
PW_SW12R0V
R1808
J0JYC0000656
DIAU
R1810 J0JYC0000656
R1204 0
R1802 J0JYC0000656
R1803 J0JYC0000656
R1804 J0JYC0000656
R1815
4.7K
R1805
J0JYC0000656
C1804
1000P
C1803
1000P
LB1805 J0JYC0000656
LB1804 J0JYC0000656
LB1801 J0JYC0000656
LB1815 J0JYC0000656
LB1814 J0JYC0000656
C1824 1000P
C1823 1000P
C1822 1000P
C1811 470P
C1810 470P
R1844 0
R1843 0
LB1817 J0JYC0000656
LB1816 J0JYC0000656
LB1802 J0JYC0000656
LB1803 J0JYC0000656
6
7
5
9
25
24
26
21
20
22
17
18
13
10
12
11
16
14
15
19
23
28
27
8
1
1
3
4
2
29
30
30
P1802
DJ_JOG
SPX_STB
DGND
DGND
SP2_SCL
SP2_SDA
DGND
SPX_CLK
DGND
SPX_DAT
DGND
DGND
SPX_CLR
PW_SW3R3V
FL1_CS
FL_CLK
DGND
PW_SW5V
PW_FL12V
DGND
REM_IN
DGND
DGND
FL_DIN
VOL_JOG
KEY3
PW_SW5V
PW_STBY3R3V
KEY1
KEY2
R1214
0
DI
PCONT2
R1213
0
DI
AM_BP
7
9
10
8
4
5
1
3
2
6
12
11
P1804
1000P
C1825
R1820
J0JYC0000656
BT_UART_RTS
I2C_SDA
R1811
0
BT_UART_TX
PW_BT_SW4R6V
BT_UART_RX
BT_HOST_WAKE
R1819
J0JYC0000656
R1817
J0JYC0000656
R1816
J0JYC0000656
R1818
J0JYC0000656
R1821
J0JYC0000656
I2C_SCL
NFC_IRQ
R1823
0
R1822
0
DGND
DGND
NFC_SCL
NFC_SDA
BT_UART_RX
BT_HOST_WAKE
BT_LOD_ON
BT_UART_RTS
PW_BT_SW4R6V
BT_UART_TX
NFC_IRQ3V
NFC_D3R3V
R1225 0