EasyManua.ls Logo

Panasonic SA-MAX7000PU - Main (Digital Power) Circuit (1;2)

Panasonic SA-MAX7000PU
58 pages
Print Icon
To Next Page IconTo Next Page
To Next Page IconTo Next Page
To Previous Page IconTo Previous Page
To Previous Page IconTo Previous Page
Loading...
31
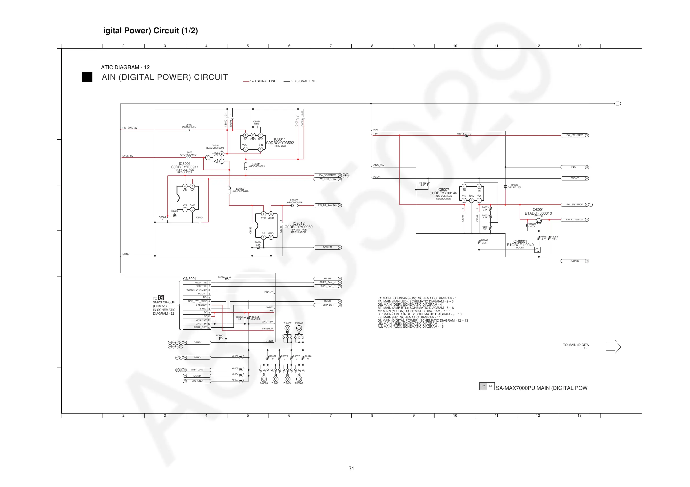
7.12. Main (Digital Power) Circuit (1/2)
A
1
2 3 4 5 6 7 8 9 10 11 12 13 14
1 2 3 4 5 6 7 8 9 10 11 12 13 14
C
D
B
E
G
H
F
A
MAIN (DIGITAL POWER) CIRCUIT
SCHEMATIC DIAGRAM - 12
SA-MAX7000PU MAIN (DIGITAL POWER) CIRCUIT
2/21/2
TO MAIN (DIGITAL POWER)
CIRCUIT (2/2)
P1
: +B SIGNAL LINE : -B SIGNAL LINE
G
TO
SMPS CIRCUIT
(CN1851)
IN SCHEMATIC
DIAGRAM - 22
IO: MAIN (IO EXPANSION): SCHEMATIC DIAGRAM - 1
FA: MAIN (FAN LED): SCHEMATIC DIAGRAM - 2 ~ 3
DS: MAIN (DSP): SCHEMATIC DIAGRAM - 4
BT: MAIN (AMP BTL): SCHEMATIC DIAGRAM - 5 ~ 6
MI: MAIN (MICON): SCHEMATIC DIAGRAM - 7 ~ 8
SE: MAIN (AMP SINGLE): SCHEMATIC DIAGRAM - 9 ~ 10
FE: MAIN (FE): SCHEMATIC DIAGRAM - 11
DI: MAIN (DIGITAL POWER): SCHEMATIC DIAGRAM - 12 ~ 13
US: MAIN (USB): SCHEMATIC DIAGRAM - 14
AU: MAIN (AUX): SCHEMATIC DIAGRAM - 15
DA2J10100L
D8004
PW_SW15R0V
FA
DGND
DGND
DGND
IOAUUSFESE
MI
AU
DSSE
FA
FA US BT
AGND
IO
AMP_GND
BT
MGND
FA
PW_XSW3R3V
IO
MI US
SMPS_FAN_N
FA
SMPS_FAN_P
FA
AM_BP
IO
SYNC
MI
TEMP_DET
MI
PW_SOC_1R5V
MI
PW_BT_SW4R6V
IO
PCONT2
IO
PDET
MI
PW_SW12R0V
AU IO
PW_FL_SW12V
IO
PW_SW5R4V
B1GBCFJJ0040
PCONT
QR8001
10K
R8053
4.7K
R8051
R8052
4.7K
B1ADGF000010
SWITCH
Q8001
R8003
33K
2.2K
R8062
3
1
2
B0ADDH000009
D8040
DB2J20800L
D8013
L8005
G1C100KA0101
R8079
0
K8002 0
0K8005
C8078 1
C8079 100P
R8080 0
0.1C8040
1C8077
0.01
C8084
C8052
0.1
C8054
25V1000
7
9
11
10
12
8
2
3
1
5
6
4
13
CN8001
+12V VOLTAGE
REGULATOR
312
45
IC8007
C0DBEYY00146
K8004 0
MIC_GND
FA
K8007 0
C0DBGYY03592
+3.3V LDO
IC8011
J0JGC0000063
LB8011
LB1222
J0JHC0000046
2.2K
R8064
ZJ8003
321
2.2K
R8063
C8035 1
C8036 1
1
4
2
3
IC8012
C0DBGYY00969
+5V VOLTAGE
REGULATOR
J0JHC0000046
LB8005
R8020
0
R8002
4.7K
R8001
10K
C8001 10
10C8002
1
C8005
1
4
2
3
IC8001
C0DBGYY00911
+1.5V VOLTAGE
REGULATOR
1
C8004
VO
GNDCE
VDD VOUT
VIN
CN
VIN
GND
VO
GND
EN
15V
15V
15V
15V
TEMP_DET
GND_15V
GND_15V
GND_15V
GND_15V
SYNC
PCONT
PCONT
PCONT
NEGATIVE
POWER_UP/AMBP
POSITIVE
SYS5R0V
SYS5R0V
SYS5R0V
NC
GND_SYS_3R3V
FB
PDET
R8078
0
ZJ8001
321
R8077
0
ZJ8004
321
R8076
0
ZJ8005
321
ZJ8006
321
ZJ8007
321
PCONT
MI
PCONT3
IO
SYNC
R8018 0
312
45
GNDCE
VOUT VIN
SSC
ZC8001*