EasyManua.ls Logo

Panasonic SA-MAX7000PU - SMPS Circuit (2;2)

Panasonic SA-MAX7000PU
58 pages
Print Icon
To Next Page IconTo Next Page
To Next Page IconTo Next Page
To Previous Page IconTo Previous Page
To Previous Page IconTo Previous Page
Loading...
37
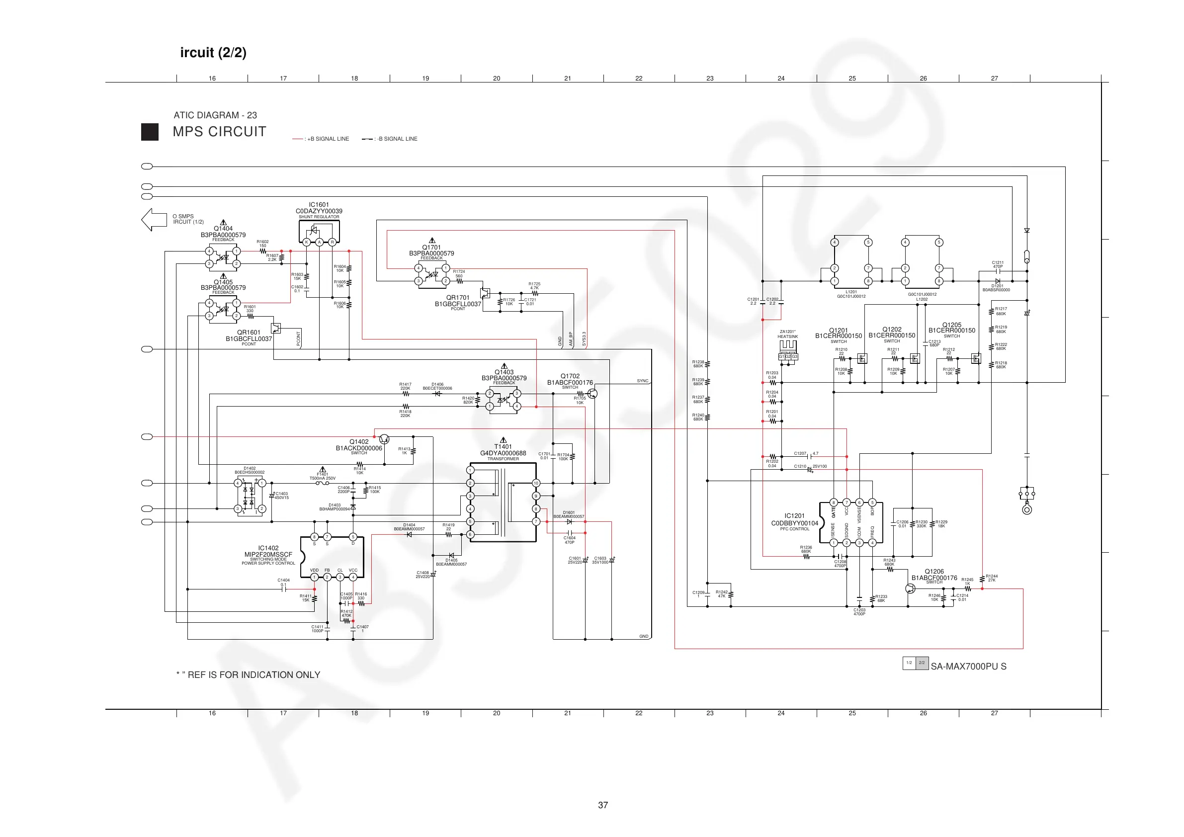
7.18. SMPS Circuit (2/2)
15 16 17 18 19 20 21 22 23 24 25 26 27 28
15 16 17 18 19 20 21 22 23 24 25 26 27 28
A
C
D
B
E
G
H
F
G
SMPS CIRCUIT
SCHEMATIC DIAGRAM - 23
SA-MAX7000PU SMPS CIRCUIT
2/21/2
TO SMPS
CIRCUIT (1/2)
1
3
2
P1
7
4
6
5
: +B SIGNAL LINE : -B SIGNAL LINE
NOTE: “ * ” REF IS FOR INDICATION ONLY
D1403
B0HAMP000094
C1406
2200P
C1407
1
C1405
1000P
R1412
470K
T500mA 250V
F1401
R1411
15K
C1404
0.1
785
12 43
IC1402
MIP2F20MSSCF
SWITCHING MODE
POWER SUPPLY CONTROL
R1606
10K
R1604
10K
R1605
10K
R1603
15K
C1602
0.1
ARK
IC1601
C0DAZYY00039
SHUNT REGULATOR
R1418
220K
D1406
B0ECET000006
330
R1416
D1405
B0EAMM000057
C1408
25V220
R1419
22
D1404
B0EAMM000057
R1417
220K
R1602
150
4
3
1
2
B3PBA0000579
FEEDBACK
Q1403
C1701
0.01
R1420
820K
9
10
7
8
2
3
1
6
4
5
G4DYA0000688
TRANSFORMER
T1401
1K
R1413
R1601
330
B1GBCFLL0037
QR1601
4
3
1
2
Q1404
B3PBA0000579
R1607
2.2K
4
3
1
2
B3PBA0000579
FEEDBACK
FEEDBACK
PCONT
Q1405
R1415
100K
Q1402
B1ACKD000006
SWITCH
R1704
100K
R1705
10K
D1601
B0EAMM000057
C1601
25V220
Q1702
B1ABCF000176
SWITCH
4
3
1
2
B3PBA0000579
FEEDBACK
Q1701
450V15
C1403
4
3
1
2
D1402
B0EDHS000002
D
S
VCCCL
S
VDD FB
SYNC
PCONT
GND
AM_BP
R1724
560
R1725
4.7K
R1726
10K
C1721
0.01
B1GBCFLL0037
QR1701
PCONT
GND
R1414
10K
C1411
1000P
C1603
35V1000
C1604
470P
321
ZJ1102
18K
R1229
330K
R1230
0.01
C1206
C1210
25V100
675
243
8
1
IC1201
C0DBBYY00104
PFC CONTROL
R1236
680K
B0ECNR000003
D1203
C1211
470P
0.04
R1202
R1237
680K
R1239
680K
R1240
680K
0.04
R1204
0.04
R1201
R1238
680K
4.7C1207
680P
C1213
R1217
680K
D1201
B0ABSR000009
C1224
450V470
R1222
680K
R1219
680K
R1212
22
R1207
10K
R1209
10K
R1208
10K
R1218
680K
Q1205
B1CERR000150
C1201
2.2
C1202
2.2
7
8
5
2
1
4
L1202
G0C101J00012
7
8
5
2
1
4
L1201
G0C101J00012
0.04
R1203
R1210
22
Q1202
B1CERR000150
R1211
22
Q1201
B1CERR000150
SWITCH
SWITCH
SWITCH
R1244
27K
R1245
1K
R1243
680K
C1208
4700P
47K
R1242
1
C1209
Q1206
B1ABCF000176
SWITCH
C1203
4700P
68K
R1233
C1214
0.0110K
R1246
FREQ
ICOM
SDGND
ISENSE
BOP
VCC
VSENSE
GATEGATE
G3G2G1
ZA1201*
HEATSINK
SYS3.3
C1005
1000P
LB1201
J0JYC0000656