EasyManua.ls Logo

Panasonic SA-MAX7000PU - Main (AUX) Circuit

Panasonic SA-MAX7000PU
58 pages
Print Icon
To Next Page IconTo Next Page
To Next Page IconTo Next Page
To Previous Page IconTo Previous Page
To Previous Page IconTo Previous Page
Loading...
34
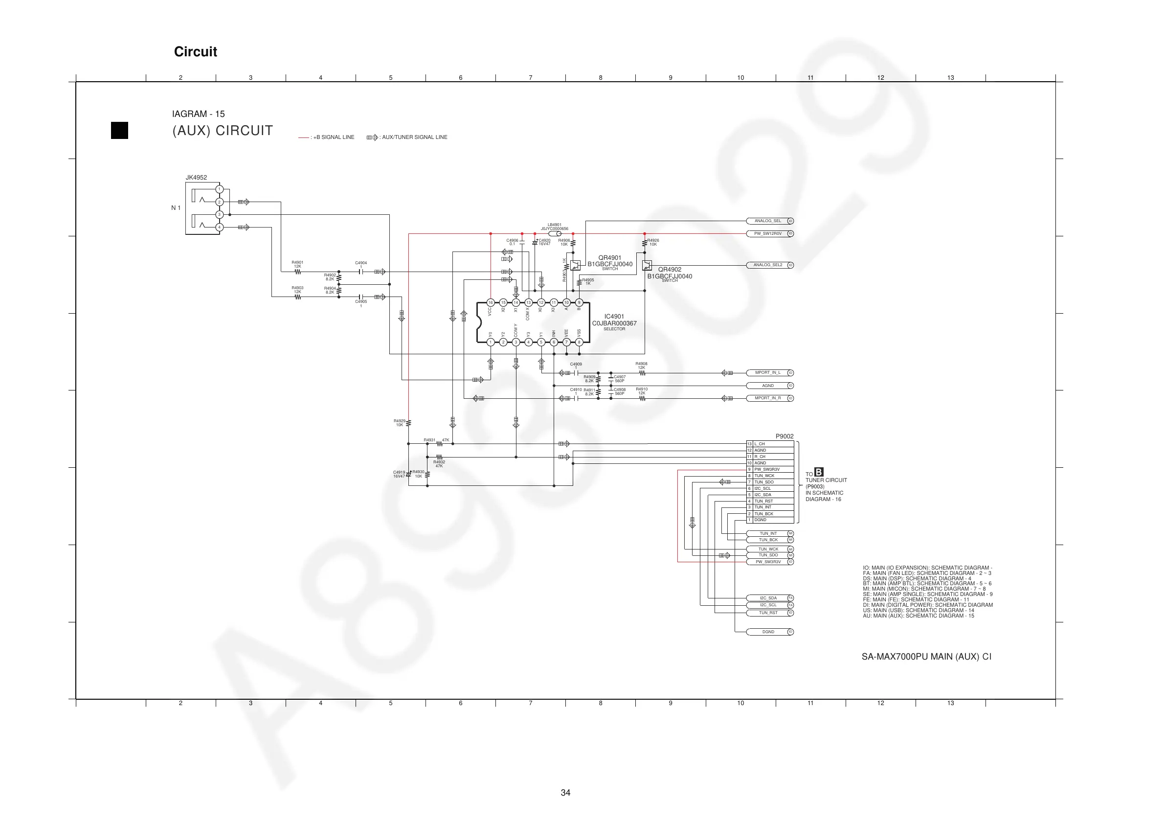
7.15. Main (AUX) Circuit
A
1
2 3 4 5 6 7 8 9 10 11 12 13 14
1 2 3 4 5 6 7 8 9 10 11 12 13 14
C
D
B
E
G
H
F
A
C
D
B
E
G
H
F
A
MAIN (AUX) CIRCUIT
SCHEMATIC DIAGRAM - 15
SA-MAX7000PU MAIN (AUX) CIRCUIT
: +B SIGNAL LINE
AUX IN 1
P9002
: AUX/TUNER SIGNAL LINE
IO: MAIN (IO EXPANSION): SCHEMATIC DIAGRAM - 1
FA: MAIN (FAN LED): SCHEMATIC DIAGRAM - 2 ~ 3
DS: MAIN (DSP): SCHEMATIC DIAGRAM - 4
BT: MAIN (AMP BTL): SCHEMATIC DIAGRAM - 5 ~ 6
MI: MAIN (MICON): SCHEMATIC DIAGRAM - 7 ~ 8
SE: MAIN (AMP SINGLE): SCHEMATIC DIAGRAM - 9 ~ 10
FE: MAIN (FE): SCHEMATIC DIAGRAM - 11
DI: MAIN (DIGITAL POWER): SCHEMATIC DIAGRAM - 12 ~ 13
US: MAIN (USB): SCHEMATIC DIAGRAM - 14
AU: MAIN (AUX): SCHEMATIC DIAGRAM - 15
B
TO
TUNER CIRCUIT
(P9003)
IN SCHEMATIC
DIAGRAM - 16
C4905
1
C4904
1
R4904
8.2K
16V47
C4919
DGND
PW_SW12R0V
ANALOG_SEL
IO
IO
IO
IO
IO
IO
IO
MI
IO
MI
MI
MI
FA
FA
IO
ANALOG_SEL2
R4926
10K
QR4902
B1GBCFJJ0040
R4905
1K
AGND
MPORT_IN_L
R4908
12K
MPORT_IN_R
R4910
12K
C4908
560P
8.2K
R4909
C4907
560P
R4911
8.2K
1KR4907
B1GBCFJJ0040
QR4901
10K
R4906
C4910
1
C4909
1
47K
R4932
10K
R4930
47KR4931
10K
R4929
J0JYC0000656
LB4901
C4906
0.1
C4920
16V47
75612 43
1012141516 13 11
8
9
IC4901
C0JBAR000367
SWITCH
SWITCH
SELECTOR
TUN_INT
TUN_RST
TUN_BCK
TUN_WCK
I2C_SCL
I2C_SDA
TUN_SDO
PW_SW3R3V
2
1
4
3
JK4952
R4903
12K
12K
R4901
R4902
8.2K
VCC
Y0
COM X
X1COM Y
Y1
INH
VSS
VEE
Y3
A
B
X0
X3
X2Y2
3
2
5
7
9
11
12
10
8
6
4
1 DGND
TUN_RST
TUN_BCK
TUN_INT
TUN_SDO
R_CH
PW_SW3R3V
I2C_SDA
AGND
AGND
13 L_CH
I2C_SCL
TUN_WCK