EasyManua.ls Logo

Panasonic SA-MAX7000PU - Main (DSP) Circuit

Panasonic SA-MAX7000PU
58 pages
Print Icon
To Next Page IconTo Next Page
To Next Page IconTo Next Page
To Previous Page IconTo Previous Page
To Previous Page IconTo Previous Page
Loading...
23
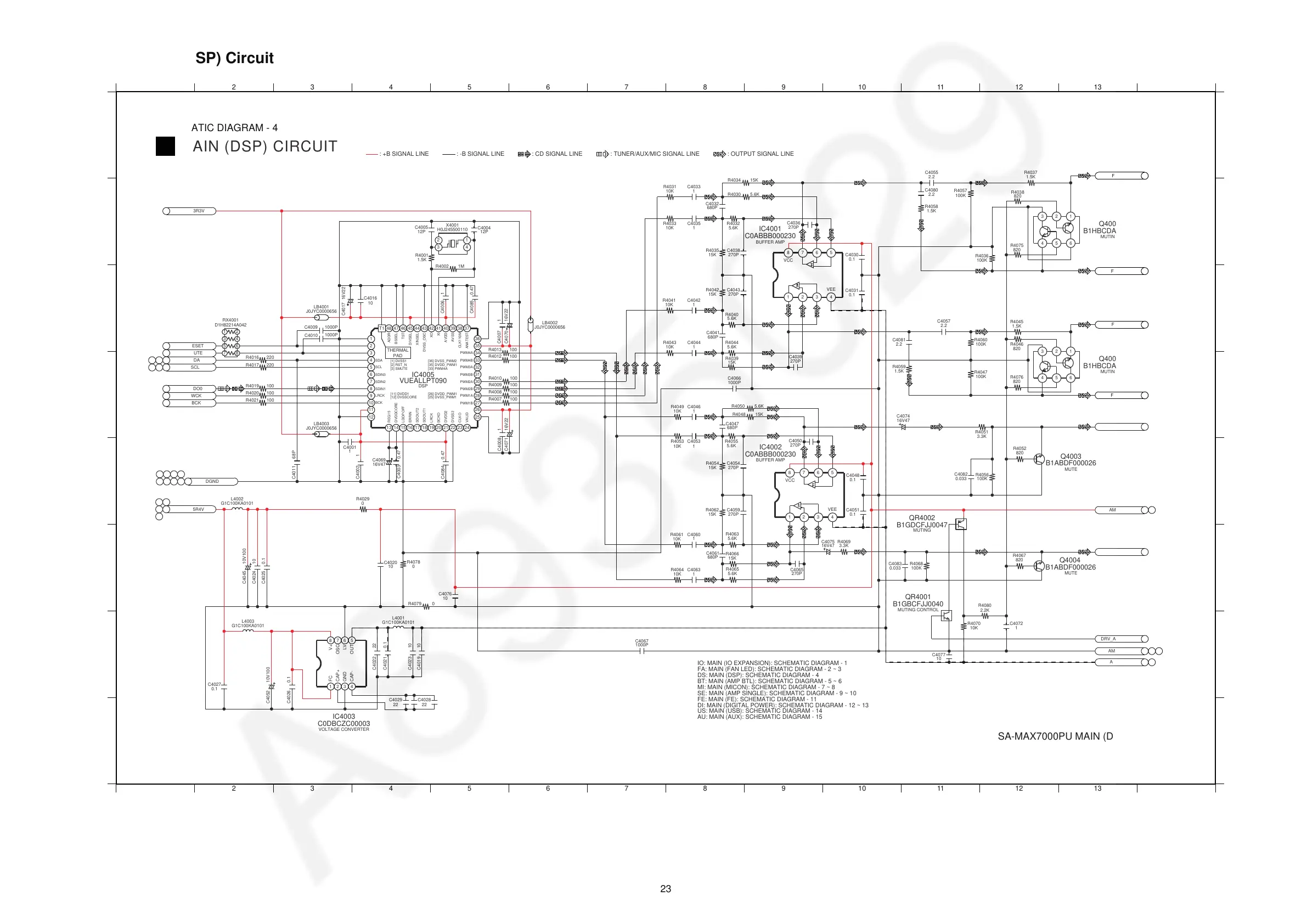
7.4. Main (DSP) Circuit
A
1
2 3 4 5 6 7 8 9 10 11 12 13 14
1 2 3 4 5 6 7 8 9 10 11 12 13 14
C
D
B
E
G
H
F
A
C
D
B
E
G
H
F
MAIN (DSP) CIRCUIT
SCHEMATIC DIAGRAM - 4
SA-MAX7000PU MAIN (DSP) CIRCUIT
: +B SIGNAL LINE
: TUNER/AUX/MIC SIGNAL LINE : OUTPUT SIGNAL LINE: CD SIGNAL LINE
: -B SIGNAL LINE
IO: MAIN (IO EXPANSION): SCHEMATIC DIAGRAM - 1
FA: MAIN (FAN LED): SCHEMATIC DIAGRAM - 2 ~ 3
DS: MAIN (DSP): SCHEMATIC DIAGRAM - 4
BT: MAIN (AMP BTL): SCHEMATIC DIAGRAM - 5 ~ 6
MI: MAIN (MICON): SCHEMATIC DIAGRAM - 7 ~ 8
SE: MAIN (AMP SINGLE): SCHEMATIC DIAGRAM - 9 ~ 10
FE: MAIN (FE): SCHEMATIC DIAGRAM - 11
DI: MAIN (DIGITAL POWER): SCHEMATIC DIAGRAM - 12 ~ 13
US: MAIN (USB): SCHEMATIC DIAGRAM - 14
AU: MAIN (AUX): SCHEMATIC DIAGRAM - 15
A
DRV_AMP_MUTE
AMP_-5V
AMP_GND
AMP_+5V
SW+
SW-
1.5K
R4037
1.5K
R4045
820
R4046
820
R4076
820
R4052
820
R4067
B1ABDF000026
Q4003
B1ABDF000026
Q4004
MUTE
MUTE
0R4079
L4001
G1C100KA0101
L4003
G1C100KA0101
1.5K
R4001
LB4002
J0JYC0000656
1
C4007
0
R4078
R4012 100
R4008 100
R4010 100
R4009 100
C4070
16V22
R4013 100
C4071 16V22
C4008
1
R4007 100
R4002 1M
2
3
1
4
H0J245500110
X4001
C4006 1
C4085 0.47
C4004
12P
12P
C4005
C4069
16V47
DSP_BCK
DSP_WCK
R4020 100
R4021 100
1
C4001
1000PC4009
C4016
10
C4017 16V22
1000P
C4010
R4016 220
DSP_MUTE
8
6
5
7
4
21
3
RX4001
D1H82214A042
DSP_RESET
I2C_SCL
I2C_SDA
LB4001
J0JYC0000656
LB4003
J0JYC0000656
DGND
PW_SW3R3V
IO
IO
IO
MI
MI
MI
MI
FAIO
DISE
US
BT
BT
BT
IO
DI SE BT
SE BT
SE
MI
US
DSP_SDO0
R4017 220
R4019 100
C4003 0.47
C4002 1
C4084 0.47
4
5
T1 4546 4448 47
2
1
3
32
34
36
35
33
42 404143 3739 38
8
15 171613 14
9
6
7
27
25
22 232019 21 24
26
18
30
31
28
29
THERMAL
PAD
11
12
10
IC4005
VUEALLPT090
DSP
L4002
G1C100KA0101
PW_SW5R4V
C4024 10
C4045 10V100
C4025 0.1
0
R4029
10
C4077
0.1
C4030
0.1
C4031
0.1
C4051
0.1
C4048
0.033
C4083
3.3K
R4069
100K
R4068
C4075
16V47
100K
R4047
R4057
100K
R4060
100K
100K
R4036
R4058
1.5K
C4080
2.2
2.2
C4055
C4081
2.2
R4059
1.5K
2.2
C4057
100K
R4056
3.3K
R4051
0.033
C4082
C4074
16V47
10
C4076
B1GDCFJJ0047
MUTING
QR4002
10K
R4070
2.2K
R4080
1
C4072
QR4001
B1GBCFJJ0040
MUTING CONTROL
10K
R4061
R4062
15K
1
C4060
270P
C4059
270P
C4054R4054
15K
5.6K
R4063
680P
C4061
270P
C4065
5.6KR4050
15KR4034
5.6KR4030
5.6K
R4032
270P
C4043
270P
C4038
5.6K
R4044
15K
R4039
5.6K
R4040
270P
C4039
R4048 15K
5.6K
R4055
10K
R4033
10K
R4031
R4035
15K
1
C4035
C4032
680P
1
C4033
10K
R4043
10K
R4053
10K
R4049
10K
R4041
C4041
680P
1
C4044
1
C4053
680P
C4047
1
C4046
R4042
15K
1
C4042
675
243
8
1
IC4002
C0ABBB000230
270P
C4036
675
243
8
1
IC4001
C0ABBB000230
BUFFER AMP
BUFFER AMP
270P
C4050
1
C4063
10K
R4064
15K
R4066
5.6K
R4065
C4026 0.1
C4052 10V100
C4027
0.1
C4022 22
C4023 10
C4019 10
C4021 0.1
21
785
43
6
IC4003
C0DBCZC00003
VOLTAGE CONVERTER
22
C4029
22
C4028
VCC
BCKO
LRCK
BCK
[11] DVDD1
[12] DVSSCORE
REG15
ERRIN
SDOUT2
LDOPOFF
DVDDCORE
LRCK
SDOUT1
CLKO
DVSS2
VALID
PWM1B
[26] DVDD_PWM1
[25] DVSS_PWM1
DVDD2
PWM1A
VCC
PWM4B
PWM4A
[3] SMUTE
[1] DVSS1
[2] RST_N
SDA
[36] DVSS_PWM2
[35] DVDD_PWM1
[33] PWM4A
AVSS
CLK110M
AVDD
ANATEST
XO
DVSS_OSC
ADDR
TST
BSSEL
XINSEL
DIVSEL
XI
SDIN2
SDIN3
SDIN1
SCL
PWM2B
PWM3B
PWM3A
PWM2A
VEE
VEE
V+
LV
OUT
OSC
FC
GND
CAP-
CAP+
SE
FL+_LO
SE
FR+_HI
SE
FR+_LO
SE
FL+_HI
820
R4038
820
R4075
231
546
B1HBCDA00001
MUTING
Q4001
231
546
B1HBCDA00001
MUTING
Q4002
AU
AU
IO
IO
FA
DI
SE
FE
BT
AU
MI
IO
C4067
1000P
C4066
1000P
C4011 68P
10
C4020