EasyManua.ls Logo

Panasonic SA-MAX7000PU - Main (Amp Single) Circuit (1;2)

Panasonic SA-MAX7000PU
58 pages
Print Icon
To Next Page IconTo Next Page
To Next Page IconTo Next Page
To Previous Page IconTo Previous Page
To Previous Page IconTo Previous Page
Loading...
28
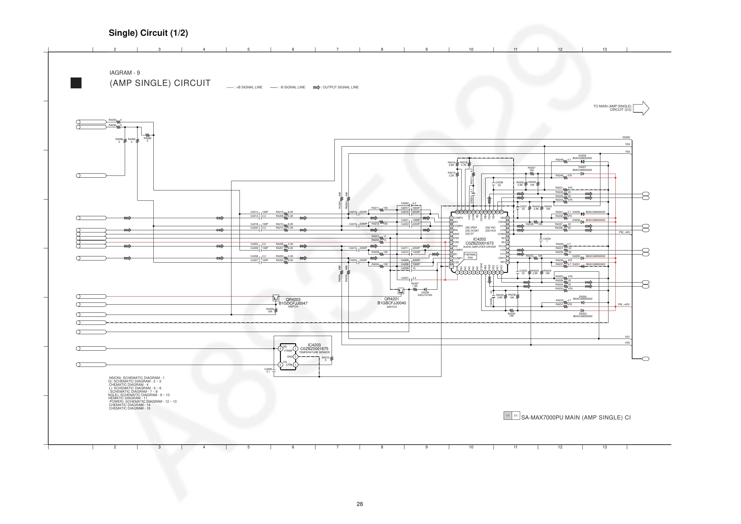
7.9. Main (Amp Single) Circuit (1/2)
A
1
2 3 4 5 6 7 8 9 10 11 12 13 14
1 2 3 4 5 6 7 8 9 10 11 12 13 14
C
D
B
E
G
H
F
A
MAIN (AMP SINGLE) CIRCUIT
SCHEMATIC DIAGRAM - 9
SA-MAX7000PU MAIN (AMP SINGLE) CIRCUIT
2/21/2
TO MAIN (AMP SINGLE)
CIRCUIT (2/2)
1
5
6
2
3
4
7
8
P1
: +B SIGNAL LINE : -B SIGNAL LINE
: OUTPUT SIGNAL LINE
IO: MAIN (IO EXPANSION): SCHEMATIC DIAGRAM - 1
FA: MAIN (FAN LED): SCHEMATIC DIAGRAM - 2 ~ 3
DS: MAIN (DSP): SCHEMATIC DIAGRAM - 4
BT: MAIN (AMP BTL): SCHEMATIC DIAGRAM - 5 ~ 6
MI: MAIN (MICON): SCHEMATIC DIAGRAM - 7 ~ 8
SE: MAIN (AMP SINGLE): SCHEMATIC DIAGRAM - 9 ~ 10
FE: MAIN (FE): SCHEMATIC DIAGRAM - 11
DI: MAIN (DIGITAL POWER): SCHEMATIC DIAGRAM - 12 ~ 13
US: MAIN (USB): SCHEMATIC DIAGRAM - 14
AU: MAIN (AUX): SCHEMATIC DIAGRAM - 15
B0ACGM000002
D4208
47KR4248
B0ACGM000002
D4207
4.7R4249
R4251 47K
DAMP_CLK
BT
IO
IO
IO
IO
BT
BT
BT
BT
DS
DS
DS
AMP_EXT_CLK
0R4294
R4250
3.9K
R4217 4.7
5.6K
R4216
4.7K
R4219
C4228
22
10K
R4252
R4247
10K
PW_-40V
PW_+40V
22R4246
3.9K
R4235
22C4226
R4230
10K
C4224
1
C4225
22
0
R4272
4.7R4221
10KR4239
47KR4240
4.7R4241
D4206 B0ACGM000002
B0ACGM000002D4205
4.7R4220
B0ACGM000002
D4202
4.7R4232
47KR4231
47KR4226
10K
R4224
R4233 47K
B0ACGM000002
D4203
B0ACGM000002
D4204
B0ACGM000002D4201
R4225 47K
3.9K
R4222
R4223 10K
10K
R4236
C4256
0.1
3
1
2
4
5
C0ZBZ0001675
TEMPERATURE SENSOR
IC4203
8.2KR4207
3.3KR4206
AMP_GND
AMP_-5V
AMP_+5V
C4203 2.2
C4209 100P
C4210 1000P
C4211 2200P2200PC4212
R4201 10
R4202 10
150R4212
C4216 2200P
150R4211
C4221 1000P
C4215
2200P
C4219
2200P
C4222 2200P
C4214 2.2
DS
FL+_LO
DS
FR+_HI
DS
FR+_LO
DS
FL+_HI
C4213 100P
3.3KR4209
8.2KR4210
C4220 2.2
C4218 100P
3.3KR4214
8.2KR4213
PW_THERMO
DGND
DGND
AMP_TEMP_DET
150R4208
68KR4253
68KR4254
2200PC4204
150R4204
B1GDCFJJ0047
SWITCH
SWITCH
QR4203
PW_SW3R3V
PW_-29V
DAMP_MOD_DA
C4208 2.2
C4207 100P
R4259
10K
3.3KR4203
8.2KR4205
C4206 1000P
R4257
1.5K
C4229 10
C4201 2.2
C4205 2200P
D4209
DA2J10100L
AMP_SHUTDOWN
B1GBCFJJ0040
QR4201
45
T1
45
46
44
48
47
213
323436 35 33
42
40
41
43
37
39
38
8
15
17
16
13
14
967
27 25
22
23
20
19
21
24
26
18
3031 2829
THERMAL
PAD
11 1210
C0ZBZ0001673
AUDIO AMPLIFIER DRIVER
IC4202
R4242
3.9K
C4217 1000P
C4202 2.2
68KR4255
68KR4256
2.2K
R4215
C4223 0.1
10K
R4243
R4244 47K
C4227
22
R4238 22
R4237 22
22R4228
22R4234
R4227 22
R4229 22
22R4245
IN2
VAA
IN1
COMP2
VSS
NC
LO2
VCC2
LO1
NC
NC
NC
HO2
VB2
HO1
VS2
VS2
VS1
VS1
NC
NC
CSH2
OS
VD
CTRL
GND
VTEMP
DS
NC
CSH1
VB1
COMP1
CSD
HO4
NC
VB4
VB3
VS4
VS4
COMP3
VCC
COM
IN4
COMP4
GND
[36] VREF
IN3
LO3
CSH3
[25] HO3
COM2
LO4
[34] DT
[26] VS3
VS3
[35] OCSET
CSH4
R4292
0
R4296
0
R4293 0
AMP_EXT_CLK2
BT
R4289
0

Related product manuals