EasyManua.ls Logo

Panasonic SA-MAX7000PU - Main (FE) Circuit

Panasonic SA-MAX7000PU
58 pages
Print Icon
To Next Page IconTo Next Page
To Next Page IconTo Next Page
To Previous Page IconTo Previous Page
To Previous Page IconTo Previous Page
Loading...
30
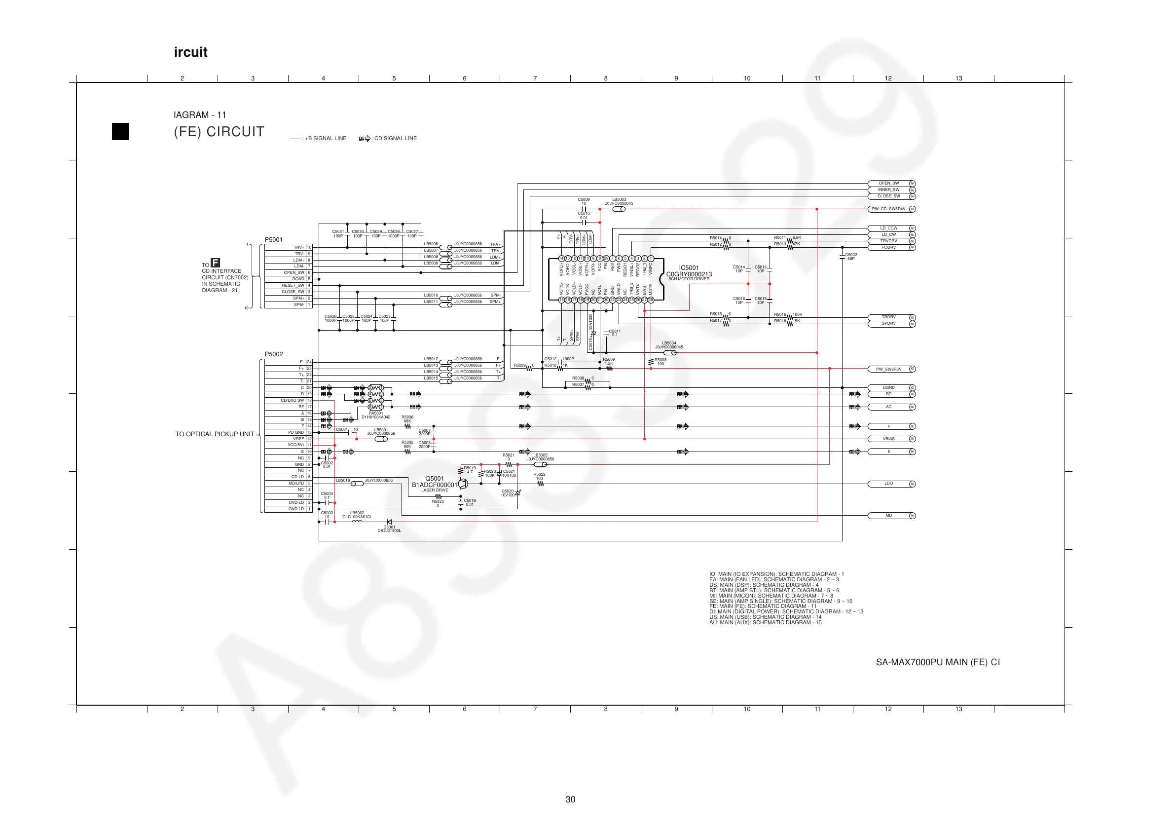
7.11. Main (FE) Circuit
A
1
2 3 4 5 6 7 8 9 10 11 12 13 14
1 2 3 4 5 6 7 8 9 10 11 12 13 14
C
D
B
E
G
H
F
A
C
D
B
E
G
H
F
A
MAIN (FE) CIRCUIT
SCHEMATIC DIAGRAM - 11
SA-MAX7000PU MAIN (FE) CIRCUIT
F
TO
CD INTERFACE
CIRCUIT (CN7002)
IN SCHEMATIC
DIAGRAM - 21
: +B SIGNAL LINE
TO OPTICAL PICKUP UNIT
: CD SIGNAL LINE
1
10
IO: MAIN (IO EXPANSION): SCHEMATIC DIAGRAM - 1
FA: MAIN (FAN LED): SCHEMATIC DIAGRAM - 2 ~ 3
DS: MAIN (DSP): SCHEMATIC DIAGRAM - 4
BT: MAIN (AMP BTL): SCHEMATIC DIAGRAM - 5 ~ 6
MI: MAIN (MICON): SCHEMATIC DIAGRAM - 7 ~ 8
SE: MAIN (AMP SINGLE): SCHEMATIC DIAGRAM - 9 ~ 10
FE: MAIN (FE): SCHEMATIC DIAGRAM - 11
DI: MAIN (DIGITAL POWER): SCHEMATIC DIAGRAM - 12 ~ 13
US: MAIN (USB): SCHEMATIC DIAGRAM - 14
AU: MAIN (AUX): SCHEMATIC DIAGRAM - 15
J0JYC0000656LB5013
F+
F-
T+
PW_SW3R3V
DGND
AC
F
68K
R5006
BD
R5037 0
8
6
5
7
4
21
3
RX5001
D1H81034A042
VBIAS
J0JYC0000656LB5015
T-
R5038 0
J0JYC0000656LB5014
R5012 0
R5014 0
C5010
0.01
J0JHC0000045
LB5003
10
C5009
LDM+
LDM-
TRV-
TRV+
F+
F-
FODRV
C5013
10P
PW_CD_SW5R4V
INNER_SW
OPEN_SW
MI
MI
MI
MI
MI
MI
MI
MI
IO
IO
MI
MI
MI
MI
MI
MI
MI
MI
DI
CLOSE_SW
68P
C5022
TRVDRV
LD_CW
LD_CCW
C5014
10P
R5011 6.8K
R5013 47K
0.1
C5011
J0JHC0000045
LB5004
1.2K
R5009
R5008
100
1000PC5012
SPM-
T-
SPM+
C5019 25V1000
T+
R5010 1K
21
27
54
24 252217 191815 16 3020 21
711 101314 12 8 299
23
63
26 28
IC5001
C0GBY0000213
5CH MOTOR DRIVER
R5015 0
TRDRV
SPDRV
R5016 100K
C5016
10P
C5015
10P
R5017 0
R5018 15K
LB5007 J0JYC0000656
TRV-
LDM+
TRV+
LDM-
SPM-
LB5009 J0JYC0000656
LB5008 J0JYC0000656
J0JYC0000656LB5006
J0JYC0000656LB5012
SPM+
LB5011 J0JYC0000656
LB5010 J0JYC0000656
J0JYC0000656
LB5001
2200P
C5007
C5023
100P
C5024
100P
C5025
1000P
C5026
1000P
C5031
100P
C5030
100P
C5029
100P
C5028
1000P
C5027
100P
R5019
4.7
MD
G1C100KA0101
LB5002
D5001
DB2J31400L
100
R5022
LDO
Q5001
B1ADCF000001
LASER DRIVE
LB5016 J0JYC0000656
0
R5023
C5018
0.01
C5020
10V100
E
68K
R5005
LB5005
J0JYC0000656
2200P
C5008
R5020
100K
0
R5021
C5021
10V100
6
8
9
7
2
1
4
5
3
10
P5001
0.01
C5002
C5001 10
10
C5003
C5004
0.1
6
7
5
9
13
15
14
11
10
12
21
22
18
16
17
20
19
8
1
3
4
2
24
23
P5002
A
F
B
VREF
T+
D
C
RF
T-
PD GND
NC
NC
NC
GND
E
NC
MD/LPD
GND-LD
DVD-LD
CD-LD
VCC(5V)
CD/DVD SW
F-
DGND
RESET_SW
SPM-
SPM+
CLOSE_SW
TRV-
TRV+
LDM-
LDM+
OPEN_SW
F+
VINFC
TRB_1
MUTE
BIAS
VOTK+ VOFC+
VOLD- VOSL+
NC VOTR-
VCCVCTL
VOTR+PVCC
VOSL-VOLD+
REGO2VINTK
GND
FIN
REV
FWDVINLD
FIN
NC REGO1
VINSL+TRB_2
VOFC-VOTK-
R5039
0