EasyManua.ls Logo

Panasonic SA-PM19E - Page 149

Panasonic SA-PM19E
168 pages
Print Icon
To Next Page IconTo Next Page
To Next Page IconTo Next Page
To Previous Page IconTo Previous Page
To Previous Page IconTo Previous Page
Loading...
M
M
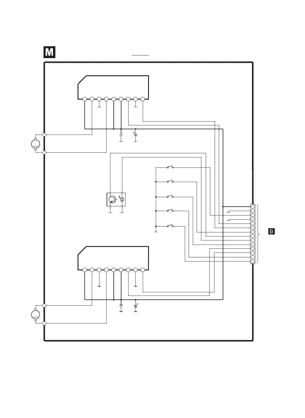
CD LOADING CIRCUIT
SCHEMATIC DIAGRAM-15
RM11
UP/DOWN
MOTOR
RM21
LOADING
MOTOR
C12
16V100
C21
0.01
C22
16V100
Q1
B3NAA0000068
SENSOR
VREF
OUT2
RNF
OUT1
VM
VCC
F_IN
GND
R_IN
IC21
C0GAG0000007
LOADING MOTOR DRIVE
S3
BOTTOM
S4
OPEN
S1
STOCK
S2
PLAY
: +B SIGNAL LINE
TO
MAIN CIRCUIT
(CN305) ON
SCHEMATIC
DIAGRAM-6
CN1
S5
CHANGE
C11
0.01
VREF
OUT2
RNF
OUT1
VM
VCC
F_IN
GND
R_IN
IC11
C0GAG0000007
UP/DOWN MOTOR DRIVE
1 2 3 4 5 6 7 8 9
1 2 3 4 5 6 7 8 9
2
4
6
8
7
5
3
1
14
13
12
11
10
9
+7.5V
PGND
CR16 SWITCH
DNGD
UP/DOWN F
UP/DOWN R
BOTTOM SW
POSTION SENS
LED
OPEN SW
LOAD F
LOAD R
STOCK SW
PLAY SW

Related product manuals