EasyManua.ls Logo

Panasonic SA-PM19E - Page 158

Panasonic SA-PM19E
168 pages
Print Icon
To Next Page IconTo Next Page
To Next Page IconTo Next Page
To Previous Page IconTo Previous Page
To Previous Page IconTo Previous Page
Loading...
B
FP501
FP502
B
B
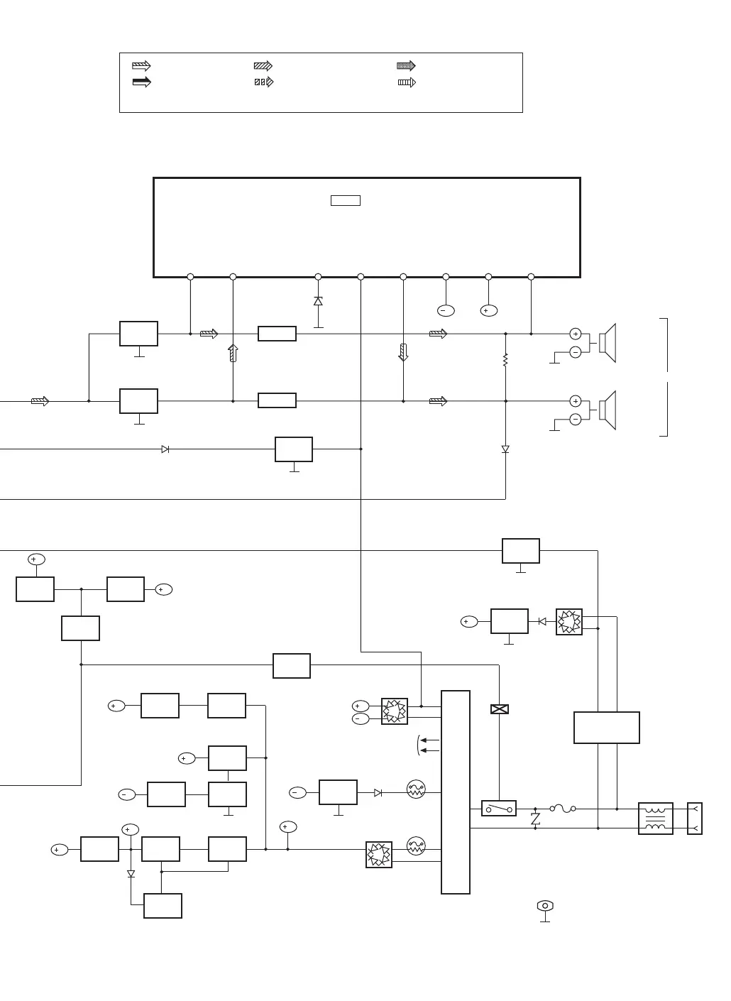
: TAPE PLAYBACK SIGNAL LINE
POWER AMP
SIGNAL LINES
B
IC500
RSN314H41A-P
JK501
AC INLET
POWER TRANSFORMER
HI_L(R)
LO_L(R)
JK301
11(10)
LO_LIN(R)
8
ACDET
6
-VccM
5(7)
LO_LOUT(R)
1(4)
HI_LOUT(R)
D508
F1
L503
T501
D587~D589
Q519
SWITCH
TO FL
DISPLAY
Z501
2
OUT+_L(R)
3
OUT+_L(R)
14(13)
HI_LIN(R)
FILTER
FILTER
Q717(Q716)
AMPLIFIER
Q715(Q714)
D530
D579,D580
D585,D586
D592
Q579
-VP
REGULATOR
Q508
SWITCH
Q509
CURRENT
LIMITING
SWITCH
Q502
SWITCH
Q520
Q501
Q505
SWITCH
Q506
CURRENT
CONTROL
Q514
REGULATOR
Q517
SWITCH
RL501
Q302
PCONT
SWITCH
Q301
SWITCH
Q303
SWITCH
D500
Q578
SWITCH
Q577
Q575
ECONOMY
SWITCH
T502
SUB
TRANSFORMER
D707
D581
E501
AMPLIFIER
REGULATOR
REGULATOR
D525
REGULATOR
B
B
B
B
B
B
B
B
B
B
( ) Indicates Pin No. of Right Channel
Note : Signal Lines are applicable to the Left Channel only.
: MAIN SIGNAL LINE
: FM/AM SIGNAL LINE : TAPE RECORD SIGNAL LINE
: CD SIGNAL LINE
: AUX SIGNAL LINE

Related product manuals