EasyManua.ls Logo

Panasonic SA-PT850EE - DVD (Video)

Panasonic SA-PT850EE
133 pages
Print Icon
To Next Page IconTo Next Page
To Next Page IconTo Next Page
To Previous Page IconTo Previous Page
To Previous Page IconTo Previous Page
Loading...
18.4. DVD (Video)
4
C IN
8
5
14
Y IN
MUTE 1
MUTE 2
CR IN
15
13
CB IN
CY IN
11
C OUT
32
IC1101
VIDEO BUFFER
C9ZB00000461
10
BIAS
6dB
LPF
6 MHz
CLAMP
6dB
LPF
6 MHz
LPF
6 MHz
BIAS
6dB
LPF
12 MHz
BIAS
6dB
LPF
12 MHz
6dB
LPF
12 MHz
CLAMP
+
CY OUT
CY SAG
23
24
75
CR OUT
CR SAG
17
18
75
Y OUT
Y SAG
26
27
75
V OUT
V SAG
29
30
75
CB OUT
CB SAG
20
21
75
75
BIAS
6
CV IN
CLAMP
6dB
L
H
SEL
7
SEL
L
H
REGULATOR
Q1004Q1003
Q1005
SWITCH
Q1002
SWITCH
SWITCH
JK1001
21PIN AV JACK
GREEN I/O
BLUE I/O
FUNK SW
BLK I/O
V OUT
RED I/O
Q1006
BUFFER
Q2805
INVERTER
Q1008
INVERTER
11
7
19
15
8
16
SCART+18V
Q1007
AMP
9
CN1001
CN2008
CN2008
CN2008
11
13
7
5
CN1001
CN1001
CN1001
CN1001
4
CN1001
14
CN1001
3
CN1001
10
CN1001
DVD A+5V
CN2008
CN2008
CN2008
CN2008
CN2008
CN2008
IC8001
DV5.0 LSI
MN2DS0018MP
CR/PR/R
CB/PB/B
Y/PY/G
4
C IN
8
5
14
Y IN
MUTE 1
MUTE 2
CR IN
15
13
CB IN
CY IN
11
C OUT
32
IC2801
VIDEO BUFFER
C9ZB00000461
10
PR(BLUE)
JK2001
PB(GREEN)
JK2001
BIAS
6dB
LPF
6 MHz
CLAMP
6dB
LPF
6 MHz
LPF
6 MHz
BIAS
6dB
LPF
12 MHz
BIAS
6dB
LPF
12 MHz
6dB
LPF
12 MHz
CLAMP
+
CY OUT
CY SAG
23
24
75
CR OUT
CR SAG
17
18
75
Y OUT
Y SAG
26
27
75
V OUT
V SAG
29
30
75
CB OUT
CB SAG
20
21
75
75
BIAS
6
CV IN
CLAMP
6dB
L
H
SEL
7
SEL
131
130
L
H
C
Y
129
138
DAC1 OUT
DAC2 OUT
DAC3 OUT
DAC4 OUT
DAC5 OUT
139
RGB H
YC H
FROM
SYSTEM CONTROL
WIDE 1
VMUTE
BUFFER
Q8331
BUFFER
Q8335
BUFFER
Q8341
BUFFER
Q8321
BUFFER
Q8325
MUTING
Q2801
MUTING
Q2804
49
CN2001
FP8101
47
CN2001
FP8101
45
CN2001
FP8101
43
CN2001
FP8101
41
CN2001
FP8101
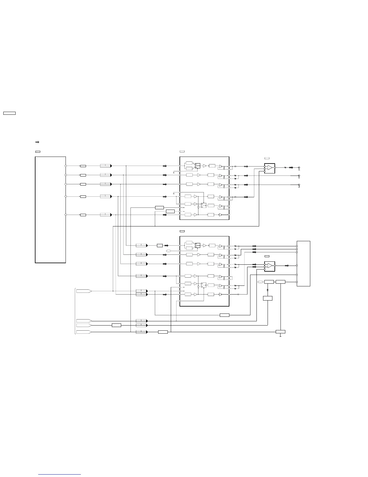
SA-PT850EE DVD (VIDEO) BLOCK DIAGRAM
: DVD VIDEO SIGNAL LINE
6
4
1
Y(RED)
JK2001
VIDEO BUFFER
IC2802
C1AB00001731
IN1
IN2
SW
OUT
2
6
4
1
VIDEO BUFFER
IC1102
C1AB00001731
IN1
IN2
SW
OUT
2
SA-PT850EE
76

Table of Contents

Related product manuals