EasyManua.ls Logo

Panasonic SA-PT850EE - Power

Panasonic SA-PT850EE
133 pages
Print Icon
To Next Page IconTo Next Page
To Next Page IconTo Next Page
To Previous Page IconTo Previous Page
To Previous Page IconTo Previous Page
Loading...
18.8. Power
5
4
2
3
2
6
7
5
2
8
4
7
18
15
17
11
14
3
CL
L5702
Q2911, D2919
+5V REGULATOR
+9V REGULATOR
Q2907, Q2910
+5V
POWER SUPPLY
Q2906, Q2908
+5V
POWER SUPPLY
D5804
D5803
D5805
MAIN
TRANSFORMER
D5801
T5701
D5802
Q5898
Q5899
T5751
D5896
PC5799
D5701
L5701
DZ5701
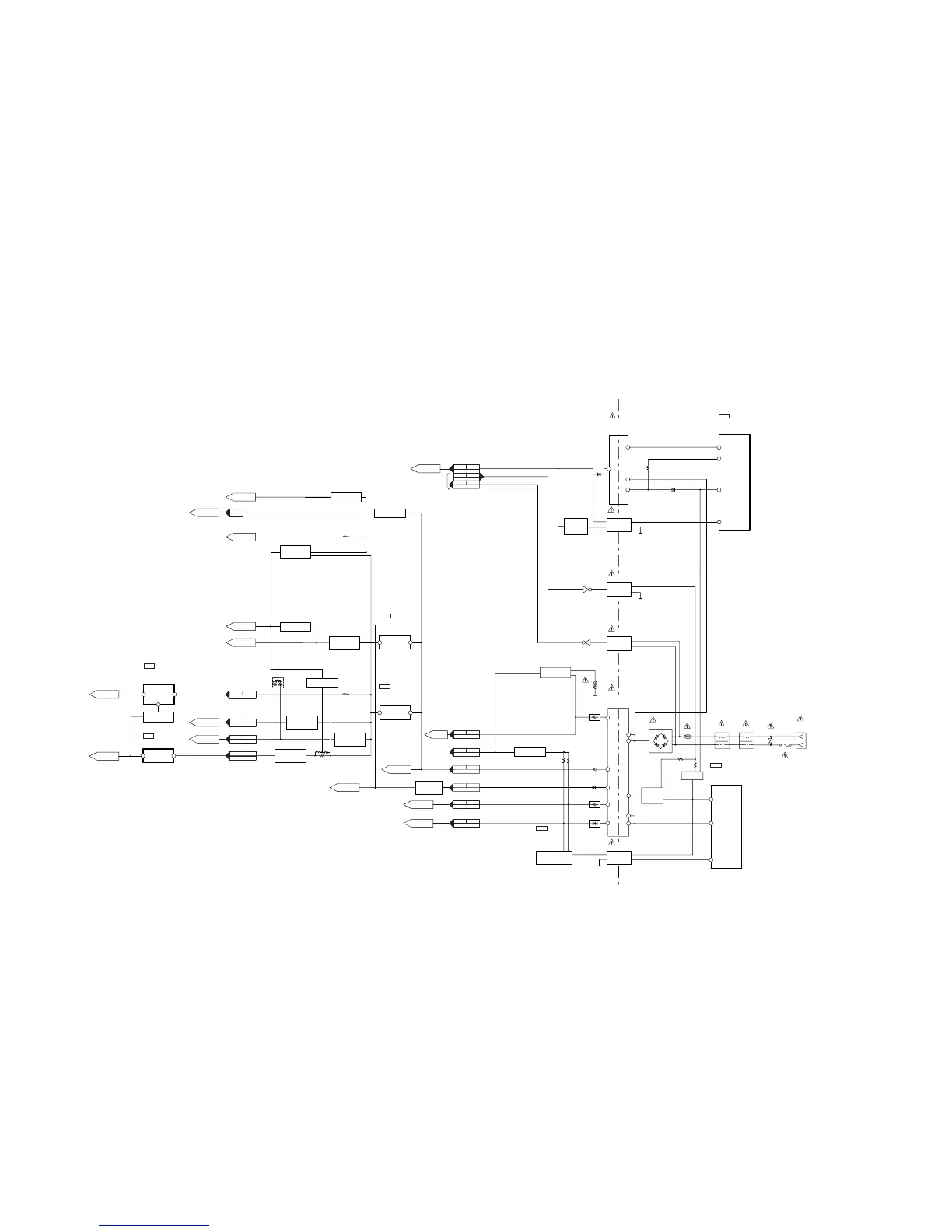
SA-PT850EE POWER BLOCK DIAGRAM
C0DBZYY00018
SYSTEM CONTROL
TO
Q2904, D2912
+1.2V REGULATOR
C0DBEHG00006
POWER CONTROL
QR8111
+3.3V DC-DC
CONVERTER
CONT
Q5860,Q5861,Q5862
TRANSFORMER
TEMP. DETECT
C0DAAYY00042
SWITCHING
REGULATOR
SWITCHING
REGULATOR
C0DAAMH00012
OUT
VCC
12
OUT
VCC
12
Q5720,
Q5722
CURRENT
LIMITING
SWITCH
Q5721
SWITCHING
F1
P5701
AC INLET
SWITCHING
REGULATOR
C5HACYY00003
VCC
D
FB
4
1
6
FEED BACK
CURRENT
LIMITING
SWITCH
BACKUP
TRANSFORMER
PC5701
FEED BACK
PC5720
FEED BACK
FEED BACK CIRCUIT
D
VCC
FB
IC5799
SWITCHING
REGULATOR
MIP4110MSSCF
IC2900
IC2903
IC8151
IC8111
IC5701
QR5810
TH5701
PC5702
SYNC
SWITCH
SHUNT
REGULATOR
IC5801
Q5802, D5806
C0DABFC00002
TH5860
- 7V
REGULATOR
Q2901, Q2902
+ 2.7V
REGULATOR
OUT
VCC
24
VO
VIN
81
5
QR5801
DC DETECT
+ 7V
REGULATOR
Q2903
Q2921, Q2922
Q2919
DC DETECT
Q2916, D2937, D2938
Q2909
DC DETECT
D2943
DC DETECT
SW+5V
M+9V
DC DET1
+7V
-7V
D+3.3V
NSW1.2V
TO SYSTEM
CONTROL
3, 4
CN5801H5500
7, 8
CN5801H5500
5
CN5802CN2004
8, 9
CN5802CN2004
4
CN5802CN2004
- 30V SENSE
- 13V
DC18V
DCDET
+ 30V SENSE
9, 11
CN2001FP8101
17, 19, 20, 22
CN2001FP8101
2
CN5802CN2004
SYS6V
10
CN5802CN2004
PCONT
1
CN5802CN2004
SYNC
38, 40
CN2001FP8101
15
CN2001FP8101
D+5V
A+5V
ADAC5V
+2.7V
9
CN2002
T+9V
SYS6V
SYSTEM CONTROL
TO/FROM
+ 30V SENSE
- 30V SENSE
T+9V
A+5V
ADAC5V
+ 18V
2
CN5801H5500
FAN 18V
FAN DC
SA-PT850EE
80

Table of Contents

Related product manuals