EasyManua.ls Logo

Panasonic SA-PT850EE - Mic Circuit

Panasonic SA-PT850EE
133 pages
Print Icon
To Next Page IconTo Next Page
To Next Page IconTo Next Page
To Previous Page IconTo Previous Page
To Previous Page IconTo Previous Page
Loading...
:+B SIGNAL LINE
:-B SIGNAL LINE
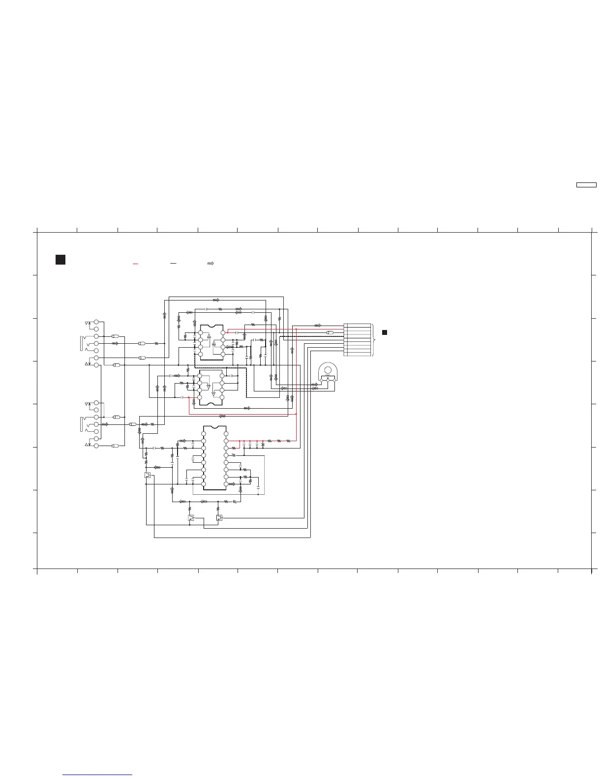
SCHEMATIC DIAGRAM - 11
SA-PT850EE MIC CIRCUIT
E
MIC CIRCUIT
TO
MAIN CIRCUIT
(CN2013)
IN SCHEMATIC
DIAGRAM - 7
B
:MIC SIGNAL LINE
A
B
C
D
E
F
G
H
1234567891011121314
1234567891011121314
A
B
D
E
F
H
G
C
3
2
6
7
4
5
1
9
8
H7000
C7110
10V47
R7113
10K
12K
R7123
R7114
5.6K
6800P
C7102
C7104
0.068
0.1
C7124
1
C7012
MIC AMP
MIC AMP
R7010
1K
3.3K
R7008
J0JBC0000030
L7002
J0JBC0000030
L7005
L7303
L7303
J0JBC0000019
L7202
J0JBC0000019
L7101
J0JBC0000019
L7003
J0JBC0000019
L7001
J0JBC0000019
0.1
C7122
47P
C7005
R7106
120K
1
C7120
C7121
0.1
22K
R7119
R7120
10K
C7123
220P220P
C7119
R7122
47K
R7116
680
R7100
15K
C7101
MUTING
SWITCH
SWITCH
1
15K
R7102
R7101
15K
C7103
1500P
6
7
5
2
4
3
81
IC7200
C0ABBB000230
47P
C7010
100P
C7009
220P
C7006
R7006
68K
6
7
5
2
4
3
81
IC7000
C0ABBB000230
R7001
680
0.1
C7011
82K
R7009
JK7002
MIC 2
MIC 1
JK7001
15K
R7105
R7011 2.2K
J0JBC0000019
L7004
1K
R7003
C7002 4700P
R7002 560
R7107
68
W7006
0
W7007
0
D7100
DIGITAL DELAY
WITH ECHO VOLUME
B0BC5R000009
1K
R7005
C7004
4700P
0.1C7007
1
C7003
EVUE27FK3B53
VR7001
R7004
10K
C7008 0.47
R7007 1K
10
C7111
C7112
0.1
10
C7115
R7112
2.7K
Q7101
B1GBCFJJ0051
C7105
0.22 0.22
C7106
Q7100
B1GBCFJJ0051
C7113
50V1
R7109
4.7K
1.5K
R7110
Q7102
B1GBCFJJ0051
6800P
C7107
0.068
C7109
7
5
6
1
2
4
3
10
12
14
15
16
13
11
89
IC7100
C1BB00001061
R7104
15K
R7103
15K
C7108
1500P
+7V
-7V
AGND
MIC_SW
MIC VOLUME
-VCC
+VCC
-VCC
+VCC
ECHO LVL 1
ECHO LVL 2
ECHO MUTE
CHASSIS GND
ASP_MICIN
CC1
OP2IN
OP2OUT
OP1IN
CLOCK
OP1OUT
REF
LPF1OUT
GND
LPF2IN
LPF2OUT
CC2
NC
VCC
NC
LPFIN
321
1
7
6
4
2
3
5
1
7
6
4
2
3
5
SA-PT850EE
93

Table of Contents

Related product manuals