EasyManua.ls Logo

Panasonic SA-PT850EE - Page 97

Panasonic SA-PT850EE
133 pages
Print Icon
To Next Page IconTo Next Page
To Next Page IconTo Next Page
To Previous Page IconTo Previous Page
To Previous Page IconTo Previous Page
Loading...
H1
H5
H2
H4
H8
1/2 2/2
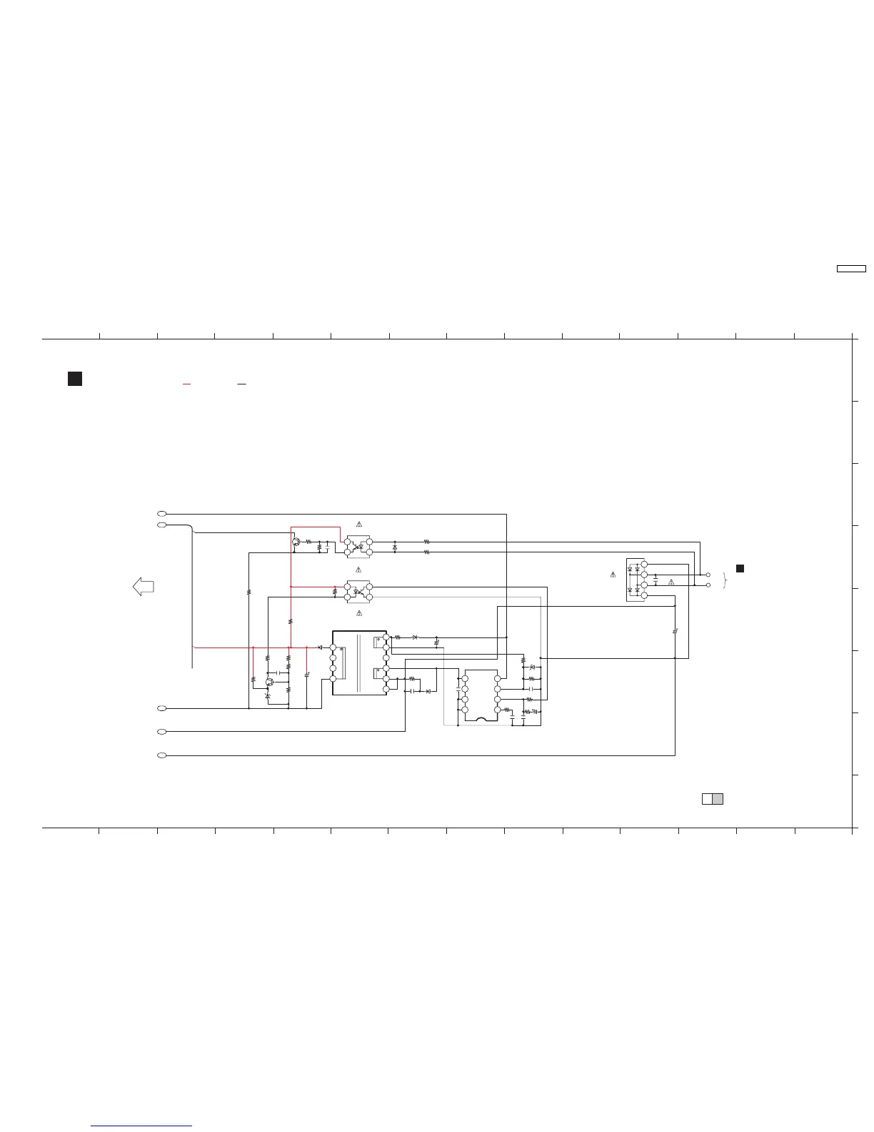
SA-PT850EE SMPS CIRCUIT
H
SCHEMATIC DIAGRAM - 15
SMPS CIRCUIT
:+B SIGNAL LINE
:-B SIGNAL LINE
TO SMPS
SECTION (1/2)
15 16 17 18 19 20 21 22 23 24 25 26 27 28
15 16 17 18 19 20 21 22 23 24 25 26 27 28
A
B
D
E
F
H
G
C
GRY
WHT
SYS6V
680R5895
400V180
C5712
6
7
5
2
4
3
81
IC5799
MIP4110MSSCF
47P
C5797
R5795
43K
D5797
D5797
MA2J72800L
22P
C5794
R5787
75K
2.2K
R5796
50V2.2
C5791
0.1
C5796
1000P
C5795
R5797
4.7K
C5703
0.1
ECQU2A104MLC
3
2
1
4
B0FBAR000041
D5701
330
R5894
1.2K
R5893
SYNC
C5899
16V220
D5730
B0ACCK000005
D5798
B0EAMM000057
390K
R5704
390K
R5705
R5798
10
C5798
50V56
4
3
1
2
PC5702
B3PBA0000402
4
3
1
2
B3PBA0000402
PC5799
100
R5897
Q5898
B1ABCF000176
R5896
100K
C5897
0.1
2.2K
R5890
B0EAMM000057
D5896
D5897
D5897
B0BC3R700004
Q5899
Q5899
B1ABCF000176
B0EAKB000004
D5793
C5790
2200P
R5891
4.7K
68K
R5786
9
10
7
8
1
6
ETS19AB236AG
BACKUP TRANSFORMER
SWITCHING REGULATOR
T5751
560
R5892
0.1
C5898
CURRENT
INVERTER
SYNC SWITCH
FEED BACK
LIMITING SWITCH
FB
S
S
D
NC
VDD
CL
VCC
5
4
2
3
I
TO
AC-INLET
CIRCUIT
IN SCHEMATIC
DIAGRAM - 17
W5011
0
W5708
0
W5004
0
SA-PT850EE
97

Table of Contents

Related product manuals