EasyManua.ls Logo

Parker SPD 2 - Power Connection Diagrams for SPD2, SPD5 E SPD8

Parker SPD 2
110 pages
Print Icon
To Next Page IconTo Next Page
To Next Page IconTo Next Page
To Previous Page IconTo Previous Page
To Previous Page IconTo Previous Page
Loading...
Parker Hannifin S.p.A. - Divisione S.B.C. “SPD” User’s Manual
19
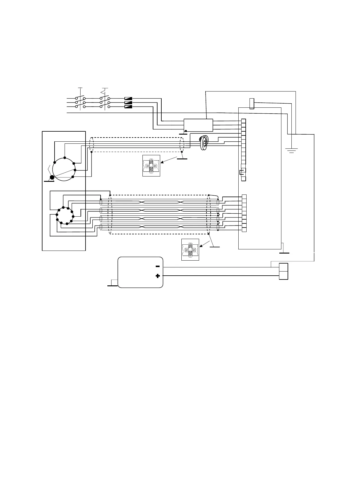
4.4.2 Power connection diagrams for SPD2, SPD5 e SPD8
A
B
C
D
filtro EMC
MAIN
MOTOR
PE GROUND
STUD
A
B
C
D
E
F
RESOLVER
I e II
E
J
K
G
H
*
*
FERRITE TOROID, OR MOTOR FILTER, OR NOTHING, BASED ON THE SELECTED CONFIGURATION
SERVOMOTOR "MB"
M
L1
L2
L3
PE
A
B
C
A
B
C
D
E
F
J
K
35
36
28
29
30
31
32
33
34
1
2
3
4
5
6
7
8
9
10
11
12
13
14
15
PE BAR
(SAFETY
GROUND)
24
48
SPD drive
HF
GROUND
LINE
HF LINE
HF GROUND
LINE
HF
GROUND
LINE
FERRITE
TOROID
Stabilised
and
protected
feeder
24 V = 2A
Connection 360°
Connection 360°

Table of Contents

Related product manuals