EasyManua.ls Logo

Pfaff EcoDrive P40 ED - Connection Plan for Connector X5

Pfaff EcoDrive P40 ED
64 pages
Print Icon
To Next Page IconTo Next Page
To Next Page IconTo Next Page
To Previous Page IconTo Previous Page
To Previous Page IconTo Previous Page
Loading...
Service functions
61
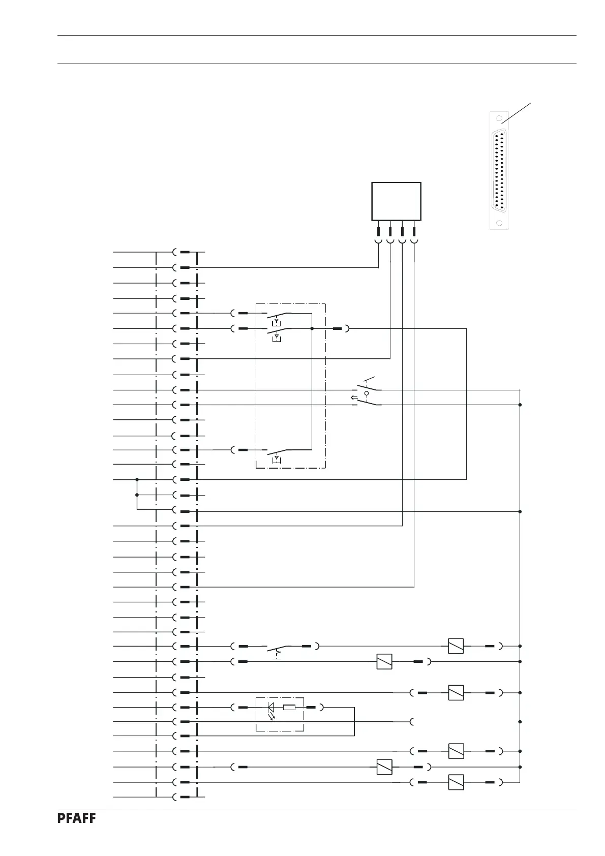
10.03 Connection plan for connector X5
19
1
37
20
X5
X5
E1
E4
E2
1
2
3
4
5
6
7
8
9
10
11
12
13
14
15
16
17
18
19
20
21
22
23
25
26
27
28
29
30
31
32
33
34
35
36
37
0V
24
+24V
+5V
E3
E6
S1
X7 4 5X7 1
X7 2
A1
S2
Y1
A4
0V
+15V
+24V
+24V
Y4
A5
Y5
Y8
A8
A10
Y2
A2
A3
Y3
S4
S6
S3
X7 3
X7 6
OTE
253
1
OTE
[A10]
Y6
A6
[A3]
[A2]
500 mA
500 mA
500 mA
500 mA
500 mA
500 mA
4 A
4 A
4 A
4 A
4 A
4 A
8 A
8 A
500 mA
500 mA
OTE

Table of Contents