EasyManua.ls Logo

Philips 4000 - Page 79

Philips 4000
79 pages
Print Icon
To Previous Page IconTo Previous Page
To Previous Page IconTo Previous Page
Loading...
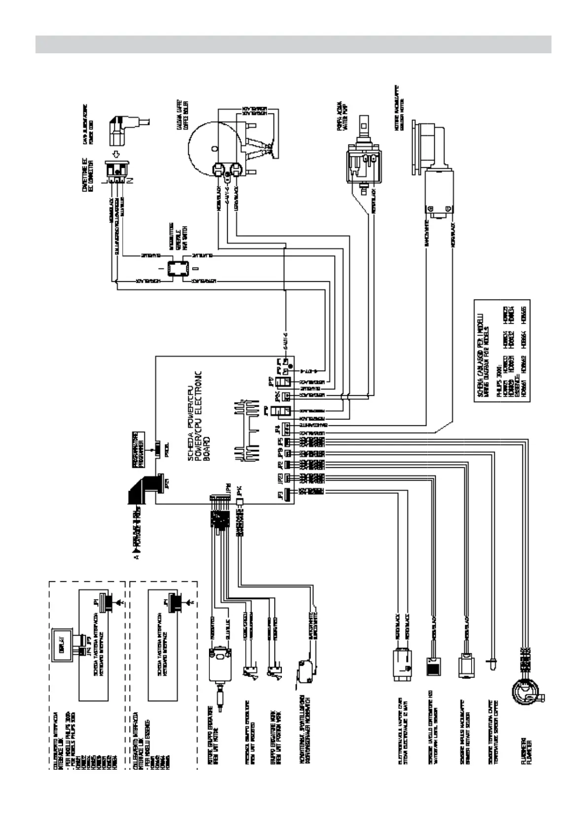
PHILIPS 4000 and 3000 10 ELECTRICAL DIAGRAM
2/2
Philips 3000

Table of Contents

Related product manuals