EasyManua.ls Logo

Philips VR109/55 - Page 22

Philips VR109/55
72 pages
Print Icon
To Next Page IconTo Next Page
To Next Page IconTo Next Page
To Previous Page IconTo Previous Page
To Previous Page IconTo Previous Page
Loading...
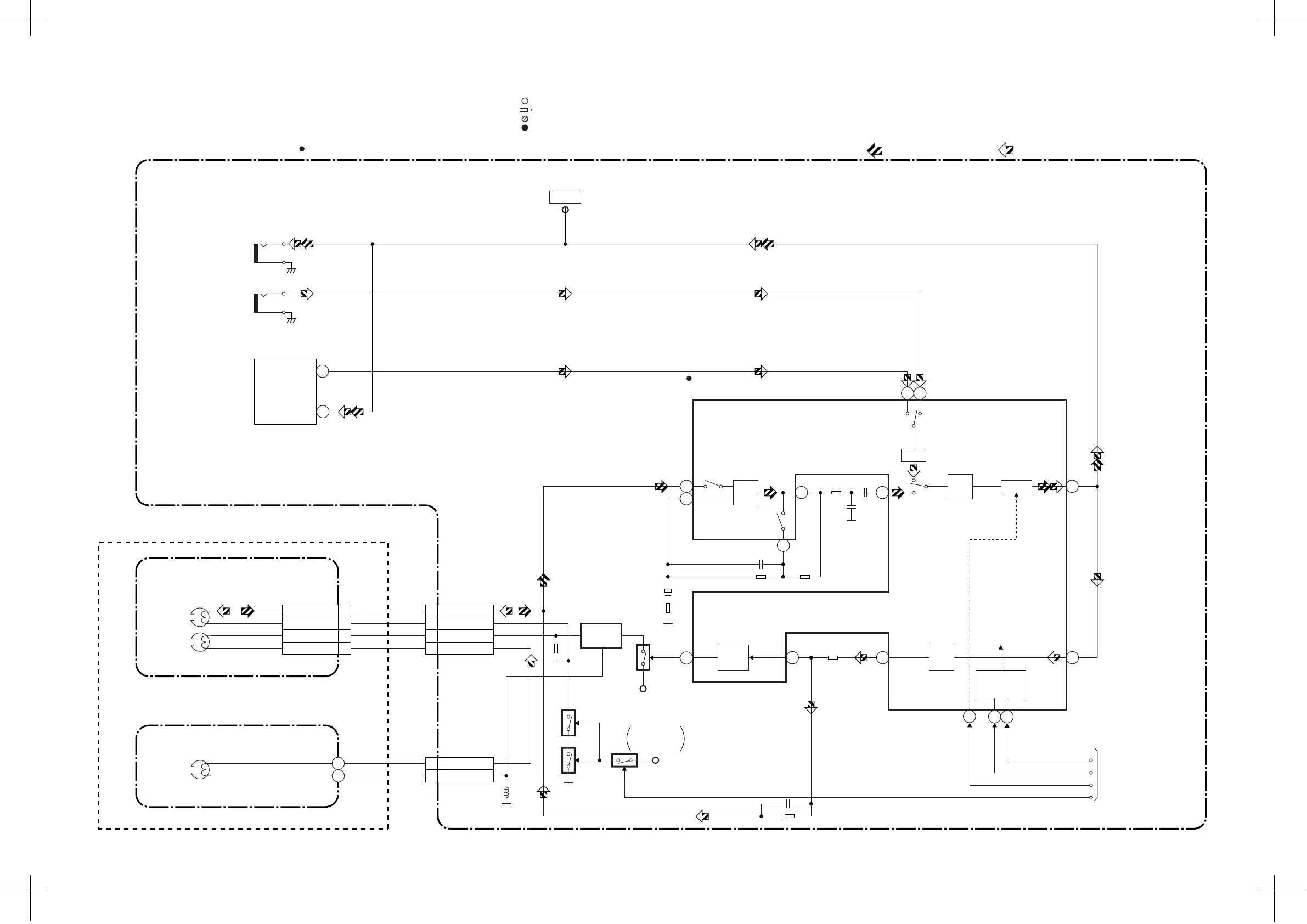
Audio Block Diagram
AUDIO
98
REC
AMP
7
6
AUTO
BIAS
99
P-ON+5V
P-ON+5V
Q401
BIAS
OSC
Q402
Q404 (PB=ON)
Q405
(PB=ON)
Q403
SWITCHING
D-REC-OFF
4
EQ
AMP
100
1
2
LINE
AMP
MUTE
96
3
PB-ON
SP/LP-ON
P
R
ALC
LINETUNER
IC301
(AUDIO PROCESS) 76
2
TU701
TU-AUDIO
21
TP752
A-OUT
7 A-PB/REC
CN504
6 A-COM
4 AE-H
5 FE-H
A-PB/REC 4
A-COM 3
AE-H 1
AE-H/FE-H 2
CN287
AUDIO
HEAD
AUDIO
ERASE
HEAD
ACE HEAD ASSEMBLY
FE HEAD
1 FE-H
2 FE-H-GND
CN501
1-10-5 1-10-6 H67T0BLA
MAIN CBA
PB-AUDIO SIGNAL REC-AUDIO SIGNAL Mode : SP/REC
10
D-REC-H
A-MUTE-H
BUS SCL
BUS SDA
TO SERVO/SYSTEM
CONTROL BLOCK
FULL
ERASE
HEAD
23 24
SERIAL
DECODER
98
(DECK ASSEMBLY)
" " = SMD
NOTE FOR WIRE CONNECTORS:
1. PREFIX SYMBOL "CN" MEANS CONNECTOR.
(CAN DISCONNECT AND RECONNECT.)
2. PREFIX SYMBOL "CL" MEANS WIRE-SOLDER
HOLES OF THE PCB.
(WIRE IS SOLDERED DIRECTLY.)
TEST POINT INFORMATION
:INDICATES A TEST POINT WITH A JUMPER WIRE ACROSS A HOLE IN THE PCB.
:USED TO INDICATE A TEST POINT WITH A COMPONENT LEAD ON FOIL SIDE.
:USED TO INDICATE A TEST POINT WITH NO TEST PIN.
:USED TO INDICATE A TEST POINT WITH A TEST PIN.
JK752
JK751
A-OUT
A-IN
www.freeservicemanuals.info
06/28/2012
World of Free Manuals