EasyManua.ls Logo

Philips VR109/55 - Page 23

Philips VR109/55
72 pages
Print Icon
To Next Page IconTo Next Page
To Next Page IconTo Next Page
To Previous Page IconTo Previous Page
To Previous Page IconTo Previous Page
Loading...
2
4
16
8
7
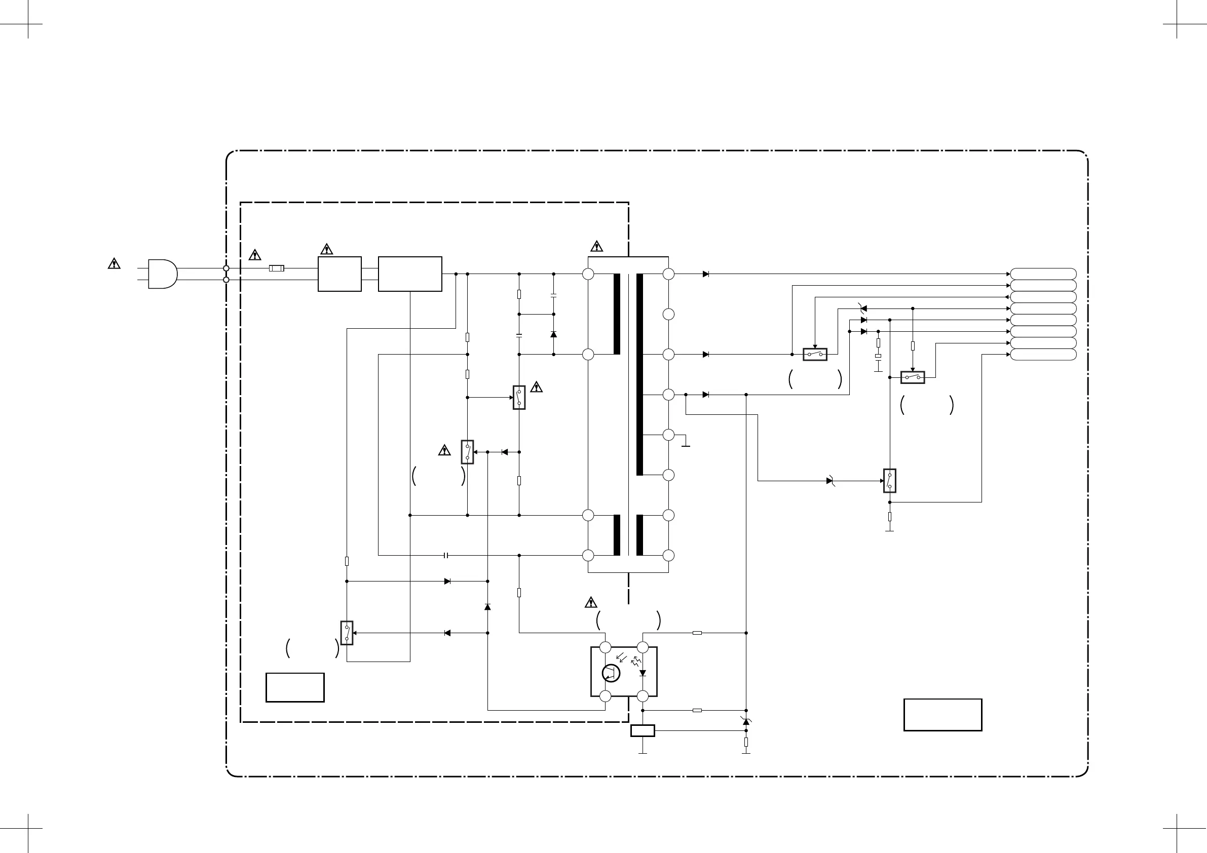
Power Supply Block Diagram
CAUTION
FOR CONTINUED PROTECTION AGAINST FIRE HAZARD,
REPLACE ONLY WITH THE SAME TYPE T1.6AL/250V FUSE.
NOTE :
The voltage for parts in hot circuit is measured using
hot GND as a common terminal.
CAUTION !
Fixed voltage (or Auto voltage selectable ) power supply circuit is used in this unit.
If Main Fuse (F001) is blown, check to see that all components in the power supply
circuit are not defective before you connect the AC plug to the AC power supply.
Otherwise it may cause some components in the power supply circuit to fail.
H67T0BLP1-10-7 1-10-8
COLD
MAIN CBA
HOT CIRCUIT. BE CAREFUL.
HOT
IC001
ERROR
VOLTAGE DET
Q002
Q003
Q001
F001
T1.6AL/250V
L002
LINE
FILTER
BRIDGE
RECTIFIER
D001 - D004
1
2
3
4
Q004
(SHUNT REGULATOR)
REG
AC001
T001
Q053
Q055
Q056
Q059
Q051
Q052
Q057
SW REG.
SW CTL/
ERR AMP
Q054
AL+10V
AL+40V
AL+12V
P-ON+10V
P-ON-L
AL-30V
DEC/PB-L
DEC/PB+12V
AL+5V
P-ON+5V
TIMER+5V
F-1
F-2
P-DOWN-L
AL+44V
12
AL+12V
P-ON-L
P-ON+12V
AL+5V
TIMER+5V
P-ON+5V
P-DOWN-L
Q057
Q054
Q056
13
15
14
11
17
18
(SWITCHING)
(SWITCHING)
SWITCHING
CONTROL
SWITCHING
CONTROL
SWITCHING
P-ON+12V
SWITCHING
P-ON+5V
www.freeservicemanuals.info
06/28/2012
World of Free Manuals