EasyManua.ls Logo

Piper Cherokee Six - Page 455

Piper Cherokee Six
721 pages
Print Icon
To Next Page IconTo Next Page
To Next Page IconTo Next Page
To Previous Page IconTo Previous Page
To Previous Page IconTo Previous Page
Loading...
Overpriming.
PIPER
CHEROKEE
SIX
SERVICE
MANUAL
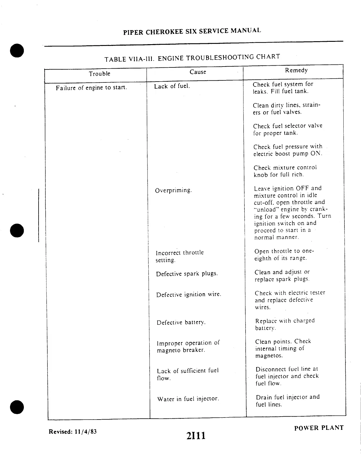
TABLE
VIIA-III.
ENGINE
TROUBLESHOOTING
CHART
Trouble
Cause
Remedy
Failure
of
engine
to
start.
Lack
of
fuel.
Check
fuel
system
for
leaks.
Fill
fuel
tank.
Clean
dirty
lines,
strain-
ers
or
fuel
valves.
Check
fuel
selector
valve
for
proper
tank.
Check
fuel
pressure
with
electric
boost
pump
ON.
Check
mixture
control
knob
for
full
rich.
Leave
ignition
OFF
and
mixture
control
in
idle
cut-off.
open
throttle
and
"unload"
engine
by
crank-
ing
for
a
few
seconds.
Turn
ignition
switch
on
and
proceed
to
start
in
a
normal
manner.
Incorrect
throttle
setting.
Defective
spark
plugs.
Defective
ignition
wire.
Defective
battery.
Improper
operation
of
magneto
breaker.
Open
throttle
to
one-
eighth
of
its
range.
Clean
and
adjust
or
replace
spark
plugs.
Check
with
electric
tester
and
replace
defective
wires.
Replace
with
charged
battery.
Clean
points.
Check
internal
timing
of
magnetos.
Disconnect
fuel
line
at
fuel
injector
and
check
fuel
flow.
Drain
fuel
injector
and
fuel
lines.
POWER
PLANT
Lack
of
sufficient
fuel
flow.
Water
in
fuel
injector.
Revised:
11/4/83
2111

Table of Contents

Related product manuals