EasyManua.ls Logo

Piper Cherokee Six - Page 625

Piper Cherokee Six
721 pages
Print Icon
To Next Page IconTo Next Page
To Next Page IconTo Next Page
To Previous Page IconTo Previous Page
To Previous Page IconTo Previous Page
Loading...
PIPER
CHEROKEE
SIX
SERVICE
MANUAL
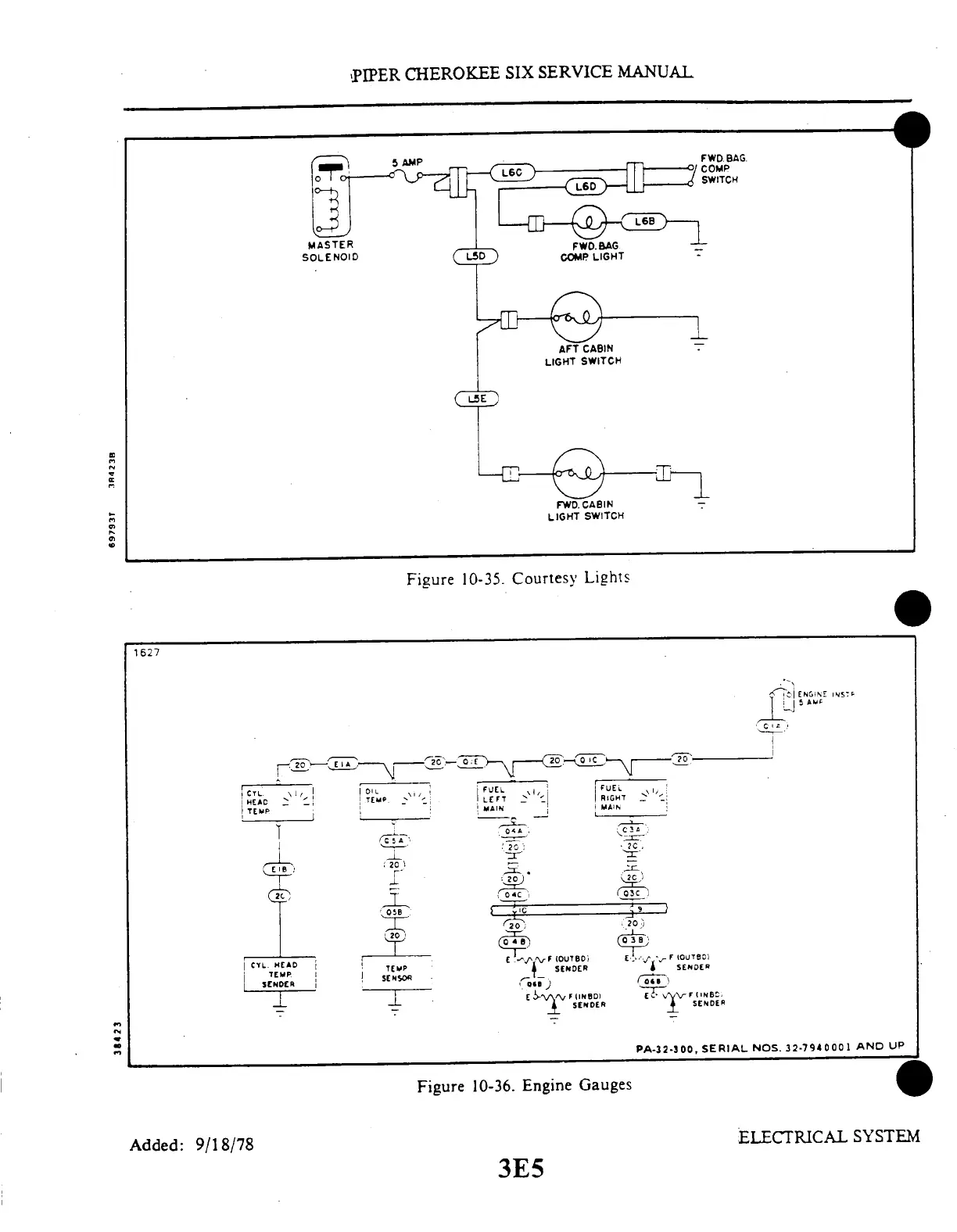
Figure
10-35.
Courtesy
Lights
1627
PA-32-300,
SERIAL
NOS.
32-794000
AND
UP
n
Figure
10-36.
Engine
Gauges
ELECTRICAL
SYSTEM
Added:
9/18/78
3E5

Table of Contents

Related product manuals