EasyManua.ls Logo

Piper Cherokee Six - Page 635

Piper Cherokee Six
721 pages
Print Icon
To Next Page IconTo Next Page
To Next Page IconTo Next Page
To Previous Page IconTo Previous Page
To Previous Page IconTo Previous Page
Loading...
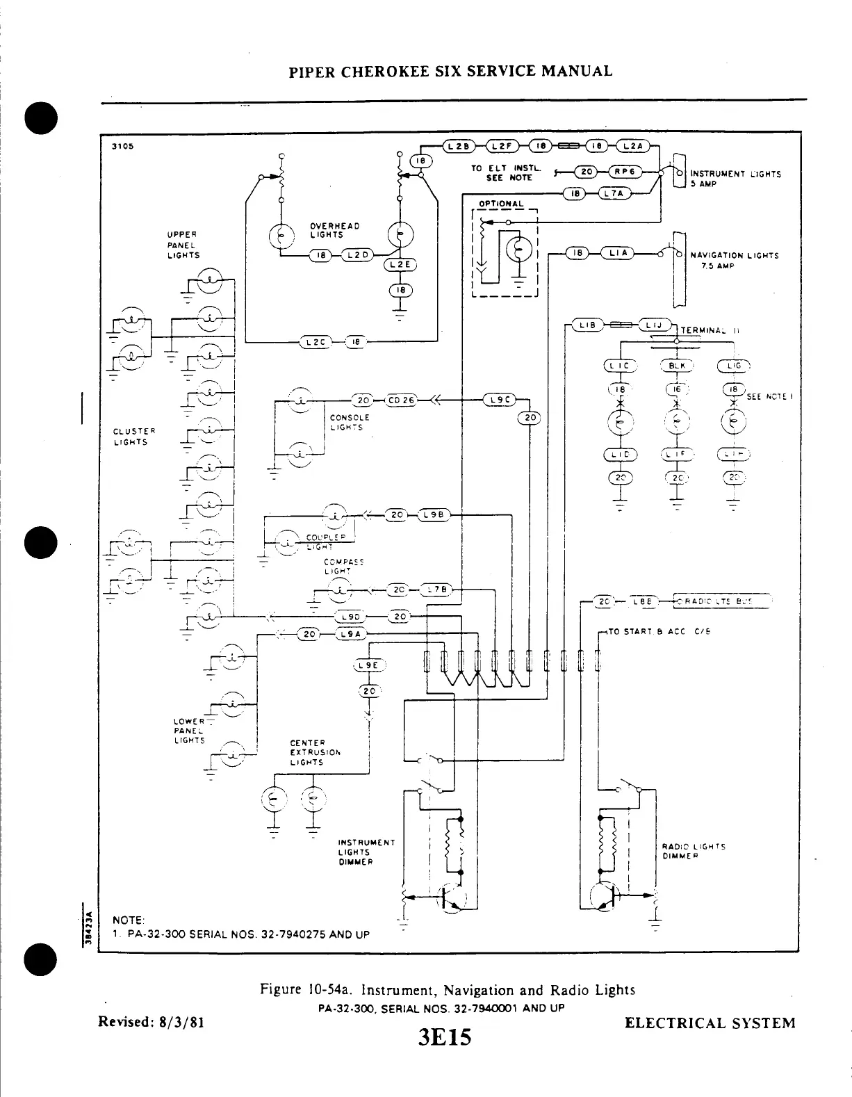
3105
CONSOLE
LIGHTS
rL
PIPER CHEROKEE
SIX SERVICE MANUAL
UPPER
PANEL
LIGHTS
-~~
INSTRUMENT LIGHTS
5
AMP
75 AMP
LOWER
PANEL
LIGHTS
CENTER
EXTRUSION
LIGHTS
TO
START
ACC C/B
RADIO
LIGHTS
I
DIMMER
INSTRUMENT
LIGHTS
DIMMER
ft
NOTE:
1 PA-32-300
SERIAL
NOS. 32-7940275
AND UP
Figure 10-54a. Instrument,
Navigation and Radio
Lights
PA-32-300, SERIAL NOS. 32-7940001 AND UP
ELECTRICAL SYSTEM
3E15
Revised:
8/3/81

Table of Contents

Related product manuals