EasyManua.ls Logo

Piper Cherokee Six - Page 671

Piper Cherokee Six
721 pages
Print Icon
To Next Page IconTo Next Page
To Next Page IconTo Next Page
To Previous Page IconTo Previous Page
To Previous Page IconTo Previous Page
Loading...
PIPER
CHEROKEE
SIX
SERVICE
MANUAL
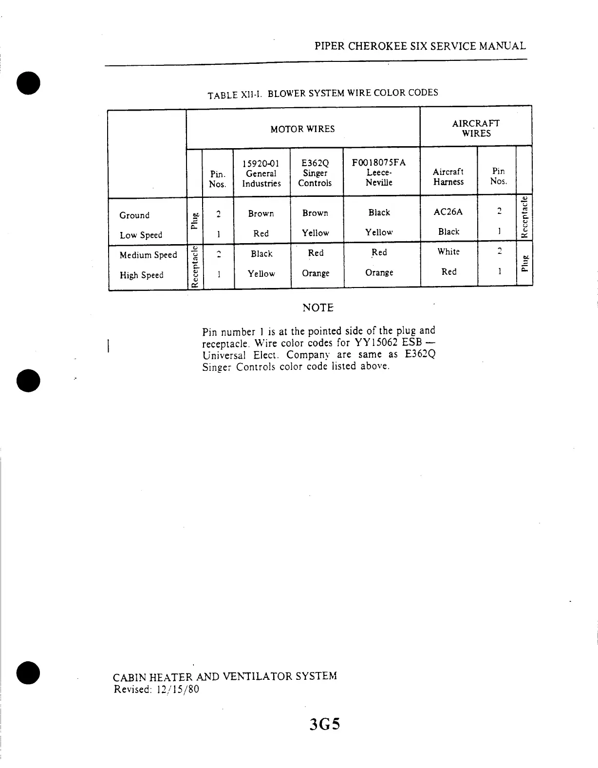
TABLE
XII-I.
BLOWER
SYSTEM
WIRE
COLOR
CODES
MOTOR
WIRES
AIRCRAFT
WIRES
15920-01
Pin.
General
Nos.
Industries
E362Q
Singer
Controls
F0018075FA
Leece-
Neville
Aircraft
Harness
Pin
Nos.
Ground
2
Brown
Brown
Low
Speed
Medium
Speed
High
Speed
Red
2
Black
Yellow
Red
Black
Yellow
Red
Orange
AC26A
Black
White
Red
I
Yellow
Orange
NOTE
Pin
number
I
is
at
the
pointed
side
of
the
plug
and
receptacle.
Wire
color
codes
for
YY15062
ESB
-
Universal
Elect.
Company
are
same
as
E362Q
Singer
Controls
color
code
listed
above.
CABIN
HEATER
AND
VENTILATOR
SYSTEM
Revised:
12/15/80
3G5

Table of Contents

Related product manuals