EasyManua.ls Logo

PMA KS 98 - Page 63

PMA KS 98
246 pages
Print Icon
To Next Page IconTo Next Page
To Next Page IconTo Next Page
To Previous Page IconTo Previous Page
To Previous Page IconTo Previous Page
Loading...
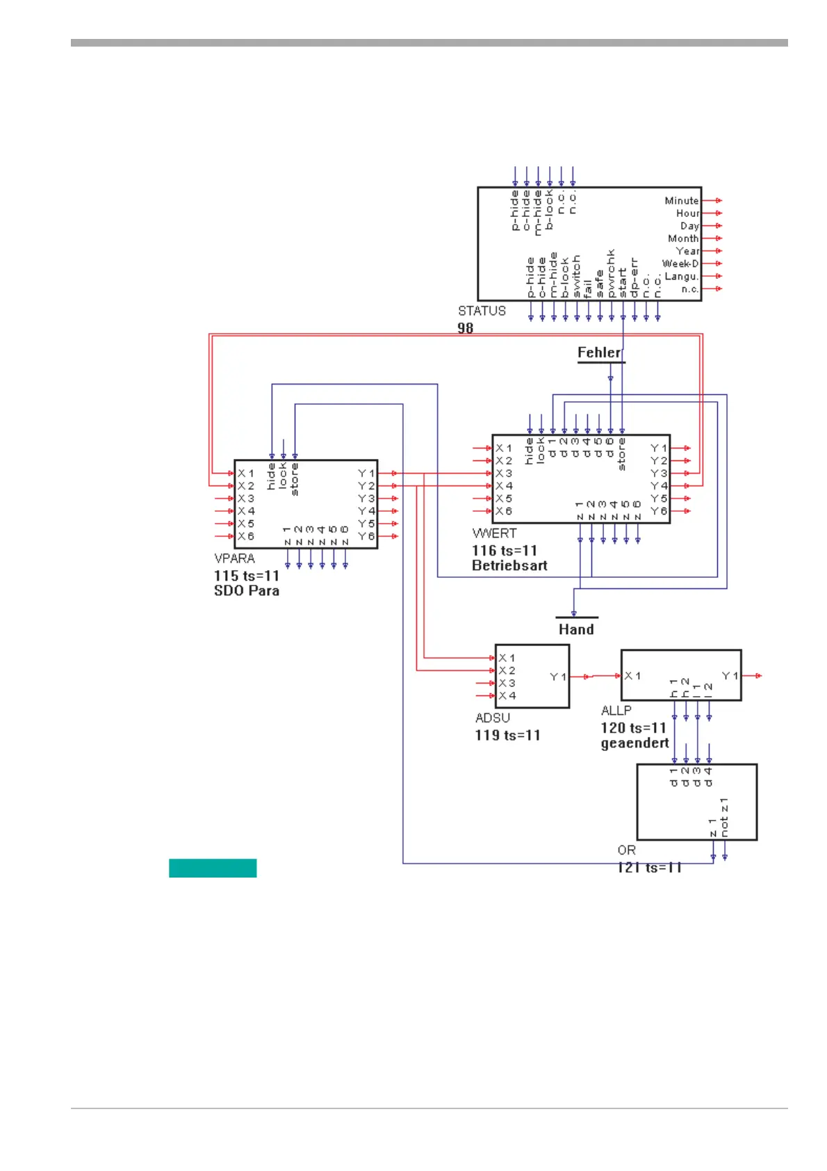
An extended engineering for advanced users SDO-SEQ2.EDG shows further functions and possibilities of KS98
engineerings in conjunction with command sequences.
This partial engineering shows the possibility of access to SDO block parameters via an operating page.
9499 040 50611 Signal converters
63 AOCTET data type conversion

Table of Contents

Other manuals for PMA KS 98