EasyManua.ls Logo

PMA KS 98 - Page 64

PMA KS 98
246 pages
Print Icon
To Next Page IconTo Next Page
To Next Page IconTo Next Page
To Previous Page IconTo Previous Page
To Previous Page IconTo Previous Page
Loading...
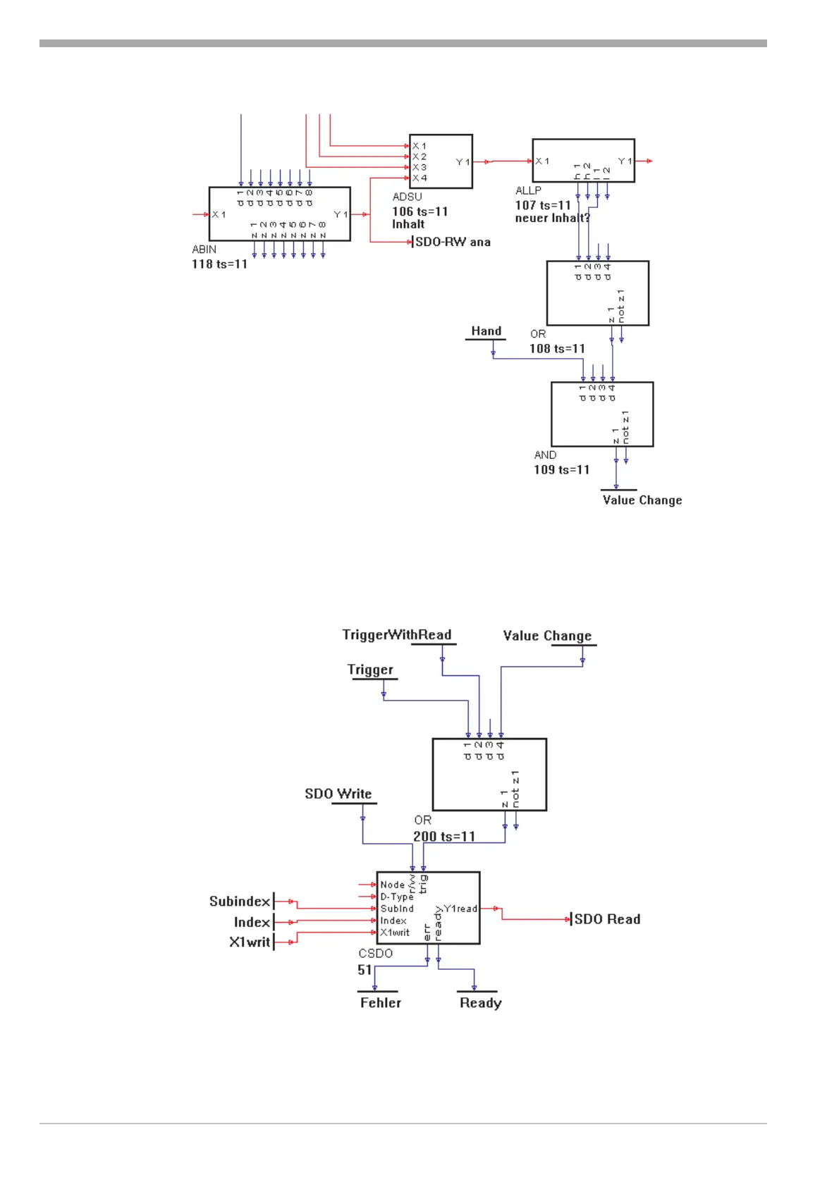
This partial function monitors the change of settings on the operating page and starts a pulse (value change) for stor-
age in the recipe blocks.
Command triggering is subject to various conditions: when reading, after changing during manual mode and cyclically
in automatic mode.
Signal converters 9499 040 50611
AOCTET data type conversion 64

Table of Contents

Other manuals for PMA KS 98