EasyManua.ls Logo

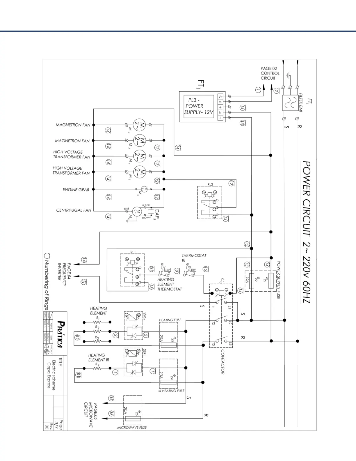
Pratica Copa Express - Heater Schematic

Pratica Copa Express
130 pages
Print Icon
To Next Page IconTo Next Page
To Next Page IconTo Next Page
To Previous Page IconTo Previous Page
To Previous Page IconTo Previous Page
Loading...
104
Heater Schematic

Table of Contents

Other manuals for Pratica Copa Express

Related product manuals