EasyManua.ls Logo

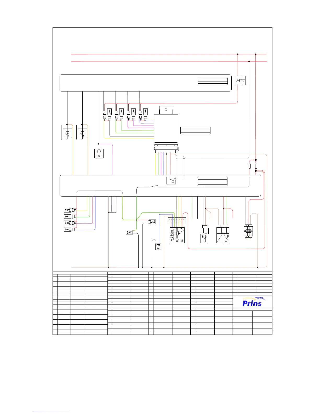
Prins VSI LPG - Diagram 33 LPG Wiring 080;72045

Prins VSI LPG
77 pages
Print Icon
To Next Page IconTo Next Page
To Next Page IconTo Next Page
To Previous Page IconTo Previous Page
To Previous Page IconTo Previous Page
Loading...
66
Diagram 33 LPG wiring 080/72045
Petrol ECU
manufacturer : n.a.
version : n.a.
software : n.a.
tank
gauge
reducer
lock-off
valve
Hall sensor
engine RPM
+
-
1 2 3 4
Petrol injectors
26 27 1354
1 2 1 2 1 2 1 2
39 38 37 36
34 33 32 31 30
40
35 53
25 51
2
1
31 Battery ground
+ LPG
48 4912
30 battery +12V
15 ignition switch
080/72045 VSI Wiring diagram 4 cylinder LPG (with connectors)
fuel switch
50
Engine
control
relay
1
2
3
4
5
6
7
8
9
10
11
12
13
14
15
16
17
18
19
pin
ground
MAP
Psys
+5 Volt Psys
T-LPG lpg temp.
ignition +
pulse fuel switch
sealed
color
black
yellow
grey-white
black
grey
blue
light green
red
31
32
33
34
35
36
37
38
pin
+12 volt battery
ignition +
G INJ A plus
RS232 TxD
RS232 RxD
sealed
inj. mod. command
sealed
G INJ A ground
G INJ OUT 4
color
grey
red
red-white
pink-yellow
green-yellow
white-yellow
red
grey-white
black
blue-yellow
grey
23
24
25
26
27
28
29
30
20
21
22
sealed
sealed
G INJ OUT 3
G INJ OUT 2
G INJ OUT 1
+ LPG injectors
green-yellow
ecu side inj 4
ecu side inj 3
ecu side inj 2
pink-yellow
green-yellow
blue-yellow
pin
TPS throttle position
sealed
ECT sensor ground
ECT coolant temp.
sealed
beeper low switching
diagnose LED
color
brown
green
black
orange
42
43
44
45
46
47
48
49
39
40
41
ecu side inj 1
white-yellow
RPM engine speed
purple-white
grey
lambda bank 1
orange
42
42
MAP sensor ground
Psys sensor ground
brown
brown
50
50
50
50
51
51
pin
color
51
52
reducer valve ground
main ground
tank valve ground
diagnose ground
+12 volt fuel switch
brown
brown
brown
brown
red
+12 volt battery
red
53
53
sealed
53
power fuel indication
power tank valve
power reducer valve
green-yellow
brown
red
green-yellow
54
INJ simulator ground
55
56
sealed
sealed
vsi wire vsi wire vsi wire vsi wire
Prins Alternative Fuel Systems
Revision / by / date
Checked by / date
Designed by/ date TS / 23-04-07
Approved by / date
sealed
+12 volt diagnose
red
ground
sealed
sealed
sealed
sealed
sealed
sealed
sealed
sealed
sealed
18
+5 Volt MAP red
50
switch ground
brown
A2
B2
C2
B3
C3
B4
C4
B5
C5
A3 A4 A5
C8
B8 B1
main
fuse
2 A
injector
fuse
10 A
+ LPG injectors
Sheet : 1/1
Description :
Injection module
manufacturer : Prins
part number : 091/71004
version : A
Part nr :
4 cyl. with conn.
080/72045
A1
A2
A3
A4
A5
A6
B6
A7
A8
B1
B2
B3
B4
B5
B8
B7
vsi ecu
C6
C1
C2
C3
C4
C5
C8
C7
petrol injector
petrol injector
petrol injector
petrol injector
vsi ecm
white-yellow
green-yellow
pink-yellow
blue-yellow
white
green
pink
blue
grey-white
red-white
13 ingnition plus
39 ecu side 1
38 ecu side 2
37 ecu side 3
36 ecu side 4
26 inj. mod. command
min inj side 1
brown 54 inj. mod. ground
petrol ecu
petrol ecu
vsi ecu
white-yellow
green-yellow
pink-yellow
blue-yellow
vsi ecu
vsi ecu
vsi ecu
vsi ecu
petrol ecu
petrol ecu
39 ecu side 1
38 ecu side 2
37 ecu side 3
36 ecu side 4
min inj side 2
min inj side 3
min inj side 4
injection module
VSI ECU
manufacturer : Prins
part number : 080/70001
software : S209 / S211
version : C / D
Project name :
Oxygen
sensor 1
Bank 2
(optional)
Oxygen
sensor 1
Bank 1
4546
lambda bank 2
orange-white
VSI injectors
1
2
3
4
1 14 29
RK / 26-10-07
main ground
-1 JT / 26-10-07
tank
lock-off
valve
2
1
diagnosis
connector
1 2 3 4
1 2 3 4
P
U
contra
connector
43 42 15 18 17 22 23
Filter unit
Psys / T-lpg sensor
2 1
T-ect
sensor
44 16
+ 5V
sensor
(optional)
MAP
(optional)
TPS
(optional)
MAP ground
sensor
(optional)

Table of Contents

Related product manuals